Каталог товарів
- Головна
- Насоси промислові
- Насоси за типомБочкові насоси Вакуумні насосиВертикальні напівзаглибні насосиГвинтові насосиВихрові насосиГерметичні насосиДиспергатор-емульгатор, гомогенізаторДозуючі насосиІмпелерні насосиКаналізаційні станціїКонсольні насосиКулачкові насосиМембранні насосиМембранні погружні пневматичні насосиБагатоступінчасті насосиМоноблочні насоси із чавунуМотопомпиМоторні мембранні насосиНасос Ex ATEXНасос з приводом від ВВПНасоси двостороннього входуНасоси конструкції «Інлайн»Насоси з мокрим роторомОсьові пропеллерні насосиПеристальтичні насосиПластинчато-роторні насосиПлунжерні насосиНапівзанурені фекальні, дренажні насосиЗанурювальні дренажно-фекальні насосиПогружні шламові насосиПоршневі насосиРоликові насоси Самовсмоктуючі насосиСанітарні, гігієнічні насосиСвердловинні насосиСоленоїдний насос дозаторСтанції водопостачання і пожежогасінняХімічні насоси з магнітною муфтоюВідцентрові насосиШестеренні насосиІндустріальні шлангові перистальтичні насоси
- Вертикальні напівзаглибні насоси
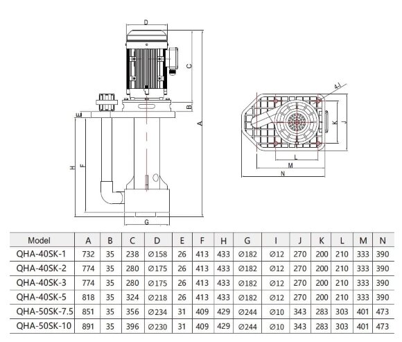
- QHA-40SK-1, PP, 0,75kW, 285L/min, 8,6m, 19m відцентровий насос для гальваніки
QHA-40SK-1, PP, 0,75kW, 285L/min, 8,6m, 19m відцентровий насос для гальваніки
З цим товаром також купують
1042539
Тільки під замовлення
Документація
Скачати інструкцію, каталог для QHA-40SK-1, PP, 0,75kW, 285L/min, 8,6m, 19m відцентровий насос для гальваніки
Огляд

Вертикальний відцентровий насос QHA, матеріал: PP. Насоси для гальваніки, електролітів, кислот, напівлужних лугів або зовнішньої установки, електроліту, приготування SIP (СІП), агресивних рідин - також знайшли широке застосування в установках фільтрації, очищення хімічно активних кислот, лугів. Встановлення насоса – напівпогружний, зовнішня установка. Напівпогружний насос може бути встановлений з зовні або зручному місці, що дозволяє забезпечити фільтраційну систему подачі компактними розмірами, зручним обслуговуванням і контролем. Матеріали насоса в залежності від вимог технології представлені в різних варіантах вибору. Подовжена гарантія. Сервісне обслуговування та постачання запасних частин. Можлива комплектація вибухозахищеним двигуном Ex.
Контролюйте температурний режим при змішуванні хімічних рідин, щоб запобігти руйнуванню насоса.
Характеристики
| Виробник | Qeehua |
| Продуктивність, м.куб / год | 17.1 |
| Висота подачі, м.вод.ст | 8.6 |
| Потужність, кВт | 0,75 |
| Матеріал | PP |
| Діaметр вхідного патрубка | 50 mm |
| Діаметр вихідного патрубка | 50 mm |
| Електроживлення | 3х380 V, 50 Hz |
| Продуктивність (max), м.куб / год | 17.1 |
| Температура (max), С | 70 |
| Продуктивність, л/хв | 285 |
| Висота подачі (max), м.вод.ст | 8.6 |
| Довжина занурюваної частини | 433 |
| Серія насоса | QHA |
| Тип насосу | полупогружний |
| Тип приводу | електричний |
| Тип установки | вертикальний |
| Тип комплектації | з двигуном |
| Логістичні дані: | |
| Вага, кг | 20 |
Категорії:Вертикальні напівзаглибні насосиНасоси для кислотиХімічні насосиНасоси для гальванікиНапівпогружні вертикальні хімічні насоси серії QP, QHD, QHA
Товари з цієї категорії
1023084
Тільки під замовлення
1027240
Тільки під замовлення
1027241
Тільки під замовлення
1027242
Тільки під замовлення































































































































































