Каталог товарів
- Головна
- Запірна арматура
- Кульові крани
- PN16 DN40 Кульовий кран з нержавіючої сталі AISI 304, Seat PTFE
PN16 DN40 Кульовий кран з нержавіючої сталі AISI 304, Seat PTFE
Документація
Скачати інструкцію, каталог для PN16 DN40 Кульовий кран з нержавіючої сталі AISI 304, Seat PTFE
Огляд

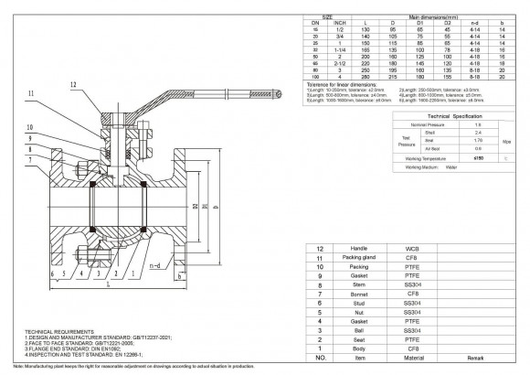
Кран кульовий призначений для перекриття потоку робочого середовища (води). Основною умовою роботи крана є його повне відкриття або закриття. Крани не можуть бути використані як регулюючі пристрої.
Завдяки простоті монтажу і надійності ці крани користуються великою популярністю.
Кран кульовий фланцевий має високі експлуатаційні характеристики завдяки використанню для виготовлення основних деталей (корпус, куля, шток) високоякісної нержавіючої сталі, а в якості ущільнювального матеріалу застосовується фторопласт (PTFE). Висока якість конструкційних матеріалів дозволяє використовувати крани у хімічній, харчовій, фармацевтичній сферах. Мінімальні розміри кранів дозволяють їх застосування для установки в місцях з обмеженими габаритами.
Характеристики
| Умовний прохід, DN | 40 |
| Виробник | BTS Engineering |
| Тип з'єднання | фланцеве |
| Номінальний тиск, МПа | 1,6 |
| Робоча температура | ≤150 |
| Матеріал корпусу | AISI 304 нержавіюча сталь |
| Матеріал ущільнення | PTFE |
| Країна походження | Китай |
| Робоче середовище | вода, повітря, рідина, густі і в'язкі рідини, слабоагресивні рідини |
| Логістичні дані: |
Товари з цієї категорії
1042528
Тільки під замовлення







































































































































