Каталог товаров
- Главная
- Насосы промышленные
- Насосы по типуБочковые насосыВакуумные насосыВертикальные полупогружные насосыВинтовые насосыВихревые насосыГерметичные насосыДиспергатор - эмульгатор гомогенизаторДозирующие насосыИмпеллерные насосыКанализационные станцииКонсольные насосыКулачковые насосыМембранные диафрагменные пневматические насосыМембранные погружные пневматические насосыМногоступенчатые насосыМоноблочные насосы из чугунаМотопомпыМоторные мембранные насосыНасос Ex ATEXНасос с приводом от ВОМНасосы двустороннего входаНасосы конструкции «Инлайн»Насосы с мокрым роторомОсевые пропеллерные насосыПеристальтические шланговые насосыПластинчато-роторные насосыПлунжерные насосыПоверхностные дренажно-фекальные насосыПогружные дренажно-фекальные насосыПогружные шламовые насосыПоршневые насосыРоликовый насосСамовсасывающие насосыСанитарные, гигиенические насосыСкважинные насосыСоленоидный насос дозаторСтанции водоснабжения и пожаротушенияХимические насосы с магнитной муфтойЦентробежные насосыШестеренные насосыИндустриальные шланговые перистальтические насосы
- Консольные насосы
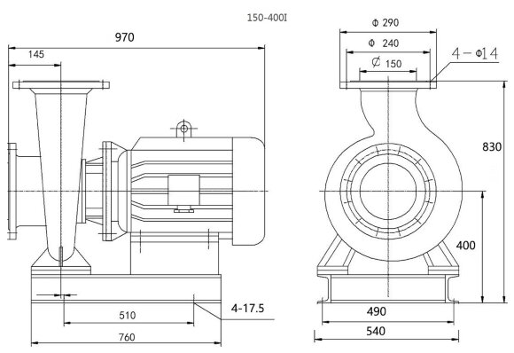
- BGW 150-400(I) (200/50), 45kW, 1480 насос центробежный горизонтальный
BGW 150-400(I) (200/50), 45kW, 1480 насос центробежный горизонтальный
С этим товаром также покупают
Документация
Скачать инструкцию, каталог для BGW 150-400(I) (200/50), 45kW, 1480 насос центробежный горизонтальный
Обзор

Насосы серии BGW применяют для: - систем пожаротушения; - муниципального водоснабжения; - систем технического водоснабжения; - систем кондиционирования и отопления; - систем охлаждения жидкости; - моющих, фильтрационных и очистных систем; - использование в плавательных бассейнах; - фонтанных установок; - полива и орошения полей.
Характеристики
| Производитель | BTS Engineering |
| Производительность, м.куб/час | 200 |
| Высота подачи, м.вод.ст | 50 |
| Мощность, кВт | 45 |
| Материал | чугун |
| Диаметр входного патрубка | DN150 |
| Диаметр выходного патрубка | DN150 |
| Частота вращения, об/мин | 1 480 |
| Степень защиты | IP55 |
| Электропитание | 3х380 V, 50 Hz |
| Взрывозащита | нет |
| Температура (max), С | 120 |
| Уплотнение | Mechanical Seal, Carbon-SiC-NBR |
| Габариты, мм | 860x600x1120 |
| Производительность (nom), м.куб/час | 200 |
| Высота подачи (nom), м.вод.ст | 50 |
| Материал проточной части | чугун |
| Серия насоса | BGW |
| Страна происхождения | Китай |
| Тип насоса | консольный |
| Тип привода | электрический |
| Тип установки | горизонтальный |
| Тип комплектации | с двигателем |
| Гарантия, месяцев | 12 |
| Применение | водоснабжения, градирни, для систем водоснабжения, орошения, пожаротушения, систем полива |
| Логистические данные: | |
| Вес, кг | 498 |
Категории:Консольные насосыЦентробежные насосыНасосы с сухим ротором из чугуна серии IRG, BGL, BGW





























































































































































