Каталог товаров
- Главная
- Насосы промышленные
- Насосы по типуБочковые насосыВакуумные насосыВертикальные полупогружные насосыВинтовые насосыВихревые насосыГерметичные насосыДиспергатор - эмульгатор гомогенизаторДозирующие насосыИмпеллерные насосыКанализационные станцииКонсольные насосыКулачковые насосыМембранные диафрагменные пневматические насосыМембранные погружные пневматические насосыМногоступенчатые насосыМоноблочные насосы из чугунаМотопомпыМоторные мембранные насосыНасос Ex ATEXНасос с приводом от ВОМНасосы двустороннего входаНасосы конструкции «Инлайн»Насосы с мокрым роторомОсевые пропеллерные насосыПеристальтические шланговые насосыПластинчато-роторные насосыПлунжерные насосыПоверхностные дренажно-фекальные насосыПогружные дренажно-фекальные насосыПогружные шламовые насосыПоршневые насосыРоликовый насосСамовсасывающие насосыСанитарные, гигиенические насосыСкважинные насосыСоленоидный насос дозаторСтанции водоснабжения и пожаротушенияХимические насосы с магнитной муфтойЦентробежные насосыШестеренные насосыИндустриальные шланговые перистальтические насосы
- Консольные насосы
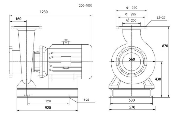
- BGWB 200-400(I) (400/50), 75kW, 1480 Ex насос центробежный горизонтальный
BGWB 200-400(I) (400/50), 75kW, 1480 Ex насос центробежный горизонтальный
С этим товаром также покупают
Документация
Скачать инструкцию, каталог для BGWB 200-400(I) (400/50), 75kW, 1480 Ex насос центробежный горизонтальный
Обзор

Насос серии BGWB - центробежный взрывозащищенный насос для перекачки дизельного топлива, бензина, нефтепродуктов, солярки, аналог КМ
Электронасосы центробежные моноблочные с взрывозащищенным двигателем типа КМ, предназначенные для перекачивания бензина и прочих жидких нефтепродуктов при температурах от -40 до + 50°С, плотностью не более 1000 кг/м3, вязкостью от 0,55 до 100 мм2/с, с содержанием твердых взвешенных частиц в количестве не более 0,2% и размером не более 0,2 мм. Насосы предназначены для эксплуатации во взрывоопасных зонах помещений и наружных установок классов, в которых могут образовываться взрывоопасные смеси горючих газов или паров бензина с воздухом, относящихся к категориям ІІА и ІІВ, и группам взрывоопасности Т1, Т2, Т3, Т4.
В насосах для нефтепродуктов или смеси рабочие органы насосной части выполнены из хромистого чугуна, колесо в двух вариантах чугун или нержавеющей стали уплотнительные кольца и торцевое уплотнение со стойкой резины, применяется специальное торцовое уплотнение одинарное или двойное торцовое. Электродвигатель асинхронный трехфазный взрывозащищенный.
Насос для перекачки дизельного топлива и бензина, аналог насосов КМ трехфазный взрывозащищенный промышленный.
Благодаря малому весу и небольшим габаритам промышленного насоса, его можно использовать как передвижной насос, или мобильный насос.
Присоединение к топливным магистралям-фланцы.
Не допускается работа насоса без жидкости, "в сухую". Перед включением насоса все трубопроводы и насосная часть должны быть залиты перекачиваемой жидкостью.
Насос должен эксплуатироваться с учетом всех правил охраны труда и правил пожарной безопасности.
Характеристики
| Производитель | BTS Engineering |
| Производительность, м.куб/час | 400 |
| Высота подачи, м.вод.ст | 50 |
| Мощность, кВт | 75 |
| Материал | чугун |
| Диаметр входного патрубка | DN200 |
| Диаметр выходного патрубка | DN200 |
| Частота вращения, об/мин | 1 480 |
| Степень защиты | IP55 |
| Электропитание | 3х380 V, 50 Hz |
| Взрывозащита | да |
| Температура (max), С | 120 |
| Уплотнение | Mechanical Seal, Carbon-SiC-NBR |
| Габариты, мм | 880x700x1340 |
| Производительность (nom), м.куб/час | 400 |
| Высота подачи (nom), м.вод.ст | 50 |
| Материал проточной части | чугун |
| Серия насоса | BGWB |
| Страна происхождения | Китай |
| Тип насоса | консольный |
| Тип привода | электрический |
| Тип установки | горизонтальный |
| Тип комплектации | с двигателем |
| Гарантия, месяцев | 12 |
| Применение | солярки, перекачки бензина, перекачки дизельного топлива, нефтепродуктов |
| Логистические данные: |
Категории:Консольные насосыНасос Ex ATEXНасосы для нефтепродуктов, бензина, дизельного топливаНасосы с сухим ротором из чугуна серии IRG, BGL, BGW





























































































































































