Каталог товаров
- Главная
- Насосы промышленные
- Насосы по типуБочковые насосыВакуумные насосыВертикальные полупогружные насосыВинтовые насосыВихревые насосыГерметичные насосыДиспергатор - эмульгатор гомогенизаторДозирующие насосыИмпеллерные насосыКанализационные станцииКонсольные насосыКулачковые насосыМембранные диафрагменные пневматические насосыМембранные погружные пневматические насосыМногоступенчатые насосыМоноблочные насосы из чугунаМотопомпыМоторные мембранные насосыНасос Ex ATEXНасос с приводом от ВОМНасосы двустороннего входаНасосы конструкции «Инлайн»Насосы с мокрым роторомОсевые пропеллерные насосыПеристальтические шланговые насосыПластинчато-роторные насосыПлунжерные насосыПоверхностные дренажно-фекальные насосыПогружные дренажно-фекальные насосыПогружные шламовые насосыПоршневые насосыРоликовый насосСамовсасывающие насосыСанитарные, гигиенические насосыСкважинные насосыСоленоидный насос дозаторСтанции водоснабжения и пожаротушенияХимические насосы с магнитной муфтойЦентробежные насосыШестеренные насосыИндустриальные шланговые перистальтические насосы
- Консольные насосы
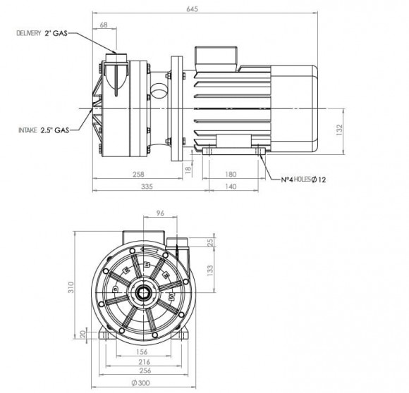
- Горизонтальный центробежный насос МВ 160, ПП, LIP SEAL, VITON, A
Горизонтальный центробежный насос МВ 160, ПП, LIP SEAL, VITON, A
С этим товаром также покупают
Документация
Скачать инструкцию, каталог для Горизонтальный центробежный насос МВ 160, ПП, LIP SEAL, VITON, A
Обзор

Горизонтальные центробежные насосы для перекачивания кислот и щелочей из полимера имеют прочный корпус и смотровое окно для проверки состояния торцевого уплотнения.
Основные возможности горизонтального насоса MB 160
- высокая производительность центробежного насоса - 55 м3/ч;
- насос изготовлен без сварных соединений;
- возможно перекачивание жидкостей, содержащих твердые и нерастворимые частицы, размером до 9 мм.
- перекачивание вязких жидкостей до 500 Спз
- механическое манжетное или сильфонное уплотнения;
- работа с особо загрязненными жидкостями
- удобство в техническом обслуживании и замене запчастей;
- невысокая стоимость комплектующих.
Характеристики
| Производитель | DEBEM |
| Производительность, м.куб/час | 55 |
| Высота подачи, м.вод.ст | 34 |
| Мощность, кВт | 7,5 |
| Материал | PP |
| Диаметр входного патрубка | 2 1/2" |
| Диаметр выходного патрубка | 2" |
| Электропитание | 3х380 V, 50 Hz |
| Взрывозащита | нет |
| Высота подачи (max), м.вод.ст | 34 |
| Производительность (max), м.куб/час | 55 |
| Температура (max), С | 65 |
| Максимальная вязкость, сПз | 500 |
| Модель | МВ 160 |
| Уплотнение | TL - Viton |
| Материал проточной части | PP |
| Серия насоса | MB |
| Страна происхождения | Италия |
| Тип насоса | консольный |
| Тип привода | электрический |
| Тип установки | горизонтальный |
| Наличие запасных частей | да |
| Логистические данные: | |
| Вес, кг | 70 |
Категории:Консольные насосыЦентробежные насосыНасосы для кислотыНасосы для щелочиНасосы для гальваникиХимический насос МВ для перекачивания кислот и щелочей



























































































































































