Каталог товаров
- Главная
- Насосы промышленные
- Насосы по типуБочковые насосыВакуумные насосыВертикальные полупогружные насосыВинтовые насосыВихревые насосыГерметичные насосыДиспергатор - эмульгатор гомогенизаторДозирующие насосыИмпеллерные насосыКанализационные станцииКонсольные насосыКулачковые насосыМембранные диафрагменные пневматические насосыМембранные погружные пневматические насосыМногоступенчатые насосыМоноблочные насосы из чугунаМотопомпыМоторные мембранные насосыНасос Ex ATEXНасос с приводом от ВОМНасосы двустороннего входаНасосы конструкции «Инлайн»Насосы с мокрым роторомОсевые пропеллерные насосыПеристальтические шланговые насосыПластинчато-роторные насосыПлунжерные насосыПоверхностные дренажно-фекальные насосыПогружные дренажно-фекальные насосыПогружные шламовые насосыПоршневые насосыРоликовый насосСамовсасывающие насосыСанитарные, гигиенические насосыСкважинные насосыСоленоидный насос дозаторСтанции водоснабжения и пожаротушенияХимические насосы с магнитной муфтойЦентробежные насосыШестеренные насосыИндустриальные шланговые перистальтические насосы
- Консольные насосы
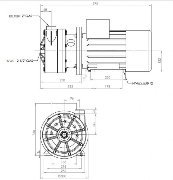
- Горизонтальный центробежный насос МВ 80, ПП, EPDM, A
Горизонтальный центробежный насос МВ 80, ПП, EPDM, A
С этим товаром также покупают
Документация
Скачать инструкцию, каталог для Горизонтальный центробежный насос МВ 80, ПП, EPDM, A
Обзор

Горизонтальные центробежные насосы для перекачивания кислот и щелочей из полимера имеют прочный корпус и смотровое окно для проверки состояния торцевого уплотнения.
Основные возможности центробежного насоса MB 80
- производительность центробежного насоса до 6 м3/ч;
- без сварных соединений;
- перекачивание (размером частицы до 5 мм);
- перекачивание вязких жидкостей до 500 Спз;
- механическое манжетное или сильфонное уплотнения;
- использование с особо загрязненными жидкостями (уплотнение TS);
- удобство в техническом обслуживании и замене комплектующих;
- низкая стоимость запчастей.
Характеристики
| Производитель | DEBEM |
| Производительность, м.куб/час | 6 |
| Высота подачи, м.вод.ст | 7 |
| Мощность, кВт | 0,37 |
| Материал | PP |
| Диаметр входного патрубка | 1 1/2" |
| Диаметр выходного патрубка | 1" |
| Электропитание | 3х380 V, 50 Hz |
| Взрывозащита | нет |
| Высота подачи (max), м.вод.ст | 7 |
| Производительность (max), м.куб/час | 6 |
| Температура (max), С | 65 |
| Максимальная вязкость, сПз | 500 |
| Модель | МВ 80 |
| Уплотнение | TL - EPDM |
| Материал проточной части | PP |
| Серия насоса | MB |
| Страна происхождения | Италия |
| Тип насоса | консольный |
| Тип привода | электрический |
| Тип установки | горизонтальный |
| Наличие запасных частей | да |
| Логистические данные: | |
| Вес, кг | 8,5 |
Категории:Консольные насосыЦентробежные насосыНасосы для кислотыНасосы для щелочиНасосы для гальваникиХимический насос МВ для перекачивания кислот и щелочей



























































































































































