Каталог товаров
- Главная
- Насосы промышленные
- Насосы по типуБочковые насосыВакуумные насосыВертикальные полупогружные насосыВинтовые насосыВихревые насосыГерметичные насосыДиспергатор - эмульгатор гомогенизаторДозирующие насосыИмпеллерные насосыКанализационные станцииКонсольные насосыКулачковые насосыМембранные диафрагменные пневматические насосыМембранные погружные пневматические насосыМногоступенчатые насосыМоноблочные насосы из чугунаМотопомпыМоторные мембранные насосыНасос Ex ATEXНасос с приводом от ВОМНасосы двустороннего входаНасосы конструкции «Инлайн»Насосы с мокрым роторомОсевые пропеллерные насосыПеристальтические шланговые насосыПластинчато-роторные насосыПлунжерные насосыПоверхностные дренажно-фекальные насосыПогружные дренажно-фекальные насосыПогружные шламовые насосыПоршневые насосыРоликовый насосСамовсасывающие насосыСанитарные, гигиенические насосыСкважинные насосыСоленоидный насос дозаторСтанции водоснабжения и пожаротушенияХимические насосы с магнитной муфтойЦентробежные насосыШестеренные насосыИндустриальные шланговые перистальтические насосы
- Консольные насосы
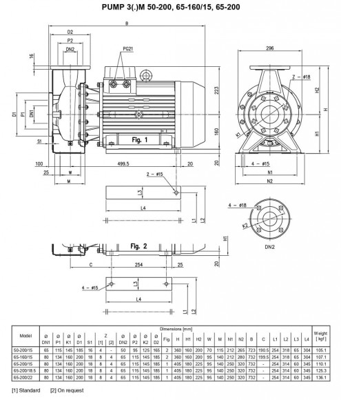
- Насос Ebara 3M 65-160/15, 380V
Насос Ebara 3M 65-160/15, 380V
С этим товаром также покупают
Документация
Скачать инструкцию, каталог для Насос Ebara 3M 65-160/15, 380V
Обзор

Центробежные насосы Ebara с фланцами в соответствии со стандартом EN 733 изготовлены из нержавеющей стали AISI 304 (AISI 316).
Применение: системы водоснабжения; перекачивание умеренно агрессивных жидкостей; фильтрация; водоподготовка; промышленные мойки; повышение давления; отопление и кондиционирование; охлаждение и холодильные системы; ирригация.
Технические особенности: прочная гидравлическая конструкция. Пригодны для перекачки многих жидкостей (версия выполнена из AISI 304 или AISI 316). Благодаря особой спиральной камере увеличивается КПД насоса. Станина насоса по стандарту с AISI 304. Корпус насоса крепится винтами из AISI 304. Компактные размеры. Широкий ряд насосов комплектованных 2-х и 4-х
полюсными двигателями. Выполнены по стандарту ISO EN 733. Конструкция "с отделением задней крышки" позволяет отделять узел двигателя/рабочего колеса, оставляя корпус на месте. Стандартное механическое уплотнение DIN 24960. Двигатель стандарта IEC (3S - 3P). Специальные двигатели: взрывобезопасные, высокоэффективные EFF 1, низкошумные, с интегрированным инвертором VMA. На заказ устанавливается механическое уплотнение, что удовлетворит ваши потребности.
Спецификация: производительность до 132 м3/час. Высота подачи до 72 м. Максимальное давление: 1 МПа. Температура перекачиваемой жидкости: -10°C ÷ 100°C. по стандарту, -10°C ÷ 110°C для версии Н.
Корпус насоса, крышка корпуса, рабочее колесо и вал из нержавеющей стали AISI 304 (серия 3), с AISI 316L (серия 3L). Механическое уплотнение из графита/керамики/NBR для стандартной версии (серия 3), из SiC/SiC/FPM (серия 3L), механическое уплотнение из графита/керамики/FPM для версии Н, механическое уплотнение из SiC/SiC/FPM для версии HS, механическое уплотнение из SiC/графита/FPM для версии Е.
Технические данные: асинхронный 2-х и 4-х полюсный двигатель. Класс изоляции F . Степень защиты IP55. Однофазные 220V, 50 Гц, трехфазные 380V, 50 Гц. Защиту от тепловой перегрузки должен обеспечить потребитель.
Характеристики
| Производитель | Ebara |
| Производительность, м.куб/час | 132 |
| Высота подачи, м.вод.ст | 48 |
| Мощность, кВт | 15 |
| Материал | AISI 304 нержавеющая сталь |
| Диаметр входного патрубка | DN80 |
| Диаметр выходного патрубка | DN65 |
| Частота вращения, об/мин | 2 800 |
| Степень защиты | IP55 |
| Электропитание | 3х380 V, 50 Hz |
| Взрывозащита | нет |
| Высота подачи (max), м.вод.ст | 48 |
| Производительность (max), м.куб/час | 132 |
| Температура (max), С | 90 |
| Уплотнение | Mechanical Seal, Carbon/Ceramic/NBR |
| Материал корпуса | AISI 304 нержавеющая сталь |
| Материал рабочего колеса | AISI 304 нержавеющая сталь |
| Материал вала | AISI 304 нержавеющая сталь |
| Серия насоса | 3M |
| Страна происхождения | Италия |
| Тип насоса | консольный |
| Тип привода | электрический |
| Тип установки | горизонтальный |
| Применение | CIP-промывки, аммиачной смеси, браги, бражки, вина, воды, градирни, жидких удобрений, КАС, каустика, ледяной воды, молока, мочевины, оборотного водоснабжения, отопления, пищевых продуктов, повышения давления, полива, селевого раствора, соков, соли, сусла, сушильной камеры, сушки, сыроватки |
| Логистические данные: | |
| Вес, кг | 107,1 |
Категории:Консольные насосыЦентробежные насосыНасосы для аммиачной воды, гидрооксида аммония NH4OHНасосы для барды, бражкиНасосы для винаНасосы для водыНасосы для КАС карбамидно-аммиачные смесиНасосы для мочевины, жидких удобрений, аммиакаНасосы для пермеатаНасосы для пиваНасосы для растительного маслаНасосы пищевые для сока, концентратаНасосы для минеральных удобрений (КАС)Центробежные насосы из нержавеющей сталиНасосы для водоснабженияПищевые насосыЦентробежные насосы Ebara серии 3M





























































































































































