Каталог товаров
- Главная
- Насосы промышленные
- Насосы по типуБочковые насосыВакуумные насосыВертикальные полупогружные насосыВинтовые насосыВихревые насосыГерметичные насосыДиспергатор - эмульгатор гомогенизаторДозирующие насосыИмпеллерные насосыКанализационные станцииКонсольные насосыКулачковые насосыМембранные диафрагменные пневматические насосыМембранные погружные пневматические насосыМногоступенчатые насосыМоноблочные насосы из чугунаМотопомпыМоторные мембранные насосыНасос Ex ATEXНасос с приводом от ВОМНасосы двустороннего входаНасосы конструкции «Инлайн»Насосы с мокрым роторомОсевые пропеллерные насосыПеристальтические шланговые насосыПластинчато-роторные насосыПлунжерные насосыПоверхностные дренажно-фекальные насосыПогружные дренажно-фекальные насосыПогружные шламовые насосыПоршневые насосыРоликовый насосСамовсасывающие насосыСанитарные, гигиенические насосыСкважинные насосыСоленоидный насос дозаторСтанции водоснабжения и пожаротушенияХимические насосы с магнитной муфтойЦентробежные насосыШестеренные насосыИндустриальные шланговые перистальтические насосы
- Консольные насосы
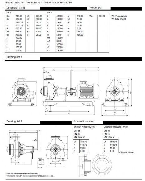
- ВTKF-K 40-250, imp 264mm, 3000 насос для горячего масла
ВTKF-K 40-250, imp 264mm, 3000 насос для горячего масла
С этим товаром также покупают
Документация
Скачать инструкцию, каталог для ВTKF-K 40-250, imp 264mm, 3000 насос для горячего масла
Обзор

Насос для горячего масла BTKF-K предназначен для перекачивания высокотемпературных жидкостей, масла 350°C. Насос для разогрева битума, насос для деревообрабатывающих заводов по производству изделий. Насосы комплектуются рабочими колесами трех типоразмеров по диаметру (с подрезкой), что позволяет более точно подобрать насос по давлению и мощности на валу. Насос для горячего теплоносителя является центробежным насосом н с воздушным типом охлаждения, отлитым радиатором для снятия термической нагрузки камеры вала и установленных торцевых уплотнений. Насос и электродвигатель подключаются с помощью муфты. Это дает преимущества при демонтаже. Размер насоса отвечает стандарту TS EN 733. Входные и выходные размеры фланцев отвечают ISO 7005-2 / PN16. В насос установлено механическое уплотнение, которое исполнено из материалов стойких к высоким температурам. При необходимости замены рабочего колеса, подшипников или уплотнений, насос легко разбирается. Предназначение: насос для перегретой жидкости, масла, других чистых продуктов с температурой до 350°C. Применения: - химические и нефтехимические заводы, бумажные фабрики, сахарные заводы, при производстве пищевых продуктов, пекарни заводы по производству изделий пластика, резины и синтетического волокна, кухонные и нагревательные печки, текстильная и кожаная промышленности, металлургия, приготовление красок, разогрев битума для дорожного строительства, деревоперерабатывающая промышленность, изготовление плит для мебели, оклейка и т д, для теплообменников технологических при передаче и разогреве жидкости.
Характеристики
| Производитель | ERDURO |
| Производительность, м.куб/час | 70 |
| Высота подачи, м.вод.ст | 90 |
| Материал | чугун |
| Диаметр входного патрубка | DN65 |
| Диаметр выходного патрубка | DN40 |
| Частота вращения, об/мин | 3 000 |
| Степень защиты | IP55 |
| Взрывозащита | нет |
| Высота подачи (max), м.вод.ст | 90 |
| Производительность (max), м.куб/час | 70 |
| Температура (max), С | 350 |
| Уплотнение | Mechanical Seal, Eagle Burgmann |
| Давление, бар | 16 |
| Диаметр рабочего колеса, мм | 264 |
| Серия насоса | BTKF-K |
| Страна происхождения | Турция |
| Тип насоса | консольный |
| Тип привода | электрический |
| Тип установки | горизонтальный |
| Тип комплектации | без двигателя |
| Гарантия, месяцев | 12 |
| Применение | перегретой воды, термомасла |
| Аналог | FLOWSERVE, ALLWEILER, KSB, Pompetravaini TCD, SIHI, WILO |
| Логистические данные: | |
| Вес, кг | 52 |
Категории:Консольные насосыЦентробежные насосыНасосы термомасла +350Высокотемпературные насосы +400°C































































































































































