Каталог товаров
 Насосы промышленные
Насосы промышленные Торцевые уплотнения
Торцевые уплотнения- Главная
- Насосы промышленные
- Насосы по типуБочковые насосыВакуумные насосыВертикальные полупогружные насосыВинтовые насосыВихревые насосыГерметичные насосыДиспергатор - эмульгатор гомогенизаторДозирующие насосыИмпеллерные насосыКанализационные станцииКонсольные насосыКулачковые насосыМембранные диафрагменные пневматические насосыМембранные погружные пневматические насосыМногоступенчатые насосыМоноблочные насосы из чугунаМотопомпыМоторные мембранные насосыНасос Ex ATEXНасос с приводом от ВОМНасосы двустороннего входаНасосы конструкции «Инлайн»Насосы с мокрым роторомОсевые пропеллерные насосыПеристальтические шланговые насосыПластинчато-роторные насосыПлунжерные насосыПоверхностные дренажно-фекальные насосыПогружные дренажно-фекальные насосыПогружные шламовые насосыПоршневые насосыРоликовый насосСамовсасывающие насосыСанитарные, гигиенические насосыСкважинные насосыСоленоидный насос дозаторСтанции водоснабжения и пожаротушенияХимические насосы с магнитной муфтойЦентробежные насосыШестеренные насосыИндустриальные шланговые перистальтические насосы
- Консольные насосы
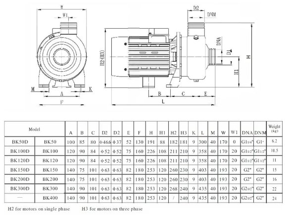
- Насос для бражки, сусла BK300, 2,2kW, AISI304, 380V/50Hz, 2900 с открытым рабочим колесом
Насос для бражки, сусла BK300, 2,2kW, AISI304, 380V/50Hz, 2900 с открытым рабочим колесом
С этим товаром также покупают
Документация
Скачать инструкцию, каталог для Насос для бражки, сусла BK300, 2,2kW, AISI304, 380V/50Hz, 2900 с открытым рабочим колесом
Обзор

Центробежные насосы серии BK с открытым рабочим колесом применяются в промышленности для промывки овощей, фруктов, мяса, рыбы и других пищевых продуктов, при обработке поверхности изделий из металла, промышленных системах мойки стеклянной тары, ящиков, банок, бутылок, в системах охлаждения, в посудомоечных машинах для столовых, в промышленных прачечных. В общем центробежные насосы с открытым рабочим колесом серии BK предназначены для перекачивания как чистой, так и достаточно загрязненной воды. Корпус, задняя крышка, крыльчатка и вал насоса изготовлены из нержавеющей стали AISI304.
Характеристики
| Производитель | BTS Engineering | 
| Производительность, м.куб/час | 57 | 
| Высота подачи, м.вод.ст | 15 | 
| Мощность, кВт | 2,2 | 
| Материал | AISI 304 нержавеющая сталь | 
| Диаметр входного патрубка | G 2 1/2" | 
| Диаметр выходного патрубка | G 2" | 
| Частота вращения, об/мин | 2 900 | 
| Электропитание | 3х380 V, 50 Hz | 
| Взрывозащита | нет | 
| Высота подачи (max), м.вод.ст | 15 | 
| Производительность (max), м.куб/час | 57 | 
| Температура (max), С | 100 | 
| Габариты, мм | 435x193x253 | 
| Тип рабочего колеса | открытое рабочее колесо | 
| Материал проточной части | AISI 304 нержавеющая сталь | 
| Серия насоса | BK | 
| Страна происхождения | Китай | 
| Тип насоса | консольный | 
| Тип привода | электрический | 
| Тип установки | горизонтальный | 
| Гарантия, месяцев | 12 | 
| Логистические данные: | |
| Вес, кг | 22 | 
Категории:Консольные насосыЦентробежные насосыЦентробежные насосы из нержавеющей сталиПищевые насосыНасосы c открытым рабочим колесом DWOНасосы для бассейнов






































































































































































 
             
            























