Каталог товаров
- Главная
- Насосы промышленные
- Насосы по типуБочковые насосыВакуумные насосыВертикальные полупогружные насосыВинтовые насосыВихревые насосыГерметичные насосыДиспергатор - эмульгатор гомогенизаторДозирующие насосыИмпеллерные насосыКанализационные станцииКонсольные насосыКулачковые насосыМембранные диафрагменные пневматические насосыМембранные погружные пневматические насосыМногоступенчатые насосыМоноблочные насосы из чугунаМотопомпыМоторные мембранные насосыНасос Ex ATEXНасос с приводом от ВОМНасосы двустороннего входаНасосы конструкции «Инлайн»Насосы с мокрым роторомОсевые пропеллерные насосыПеристальтические шланговые насосыПластинчато-роторные насосыПлунжерные насосыПоверхностные дренажно-фекальные насосыПогружные дренажно-фекальные насосыПогружные шламовые насосыПоршневые насосыРоликовый насосСамовсасывающие насосыСанитарные, гигиенические насосыСкважинные насосыСоленоидный насос дозаторСтанции водоснабжения и пожаротушенияХимические насосы с магнитной муфтойЦентробежные насосыШестеренные насосыИндустриальные шланговые перистальтические насосы
- Консольные насосы
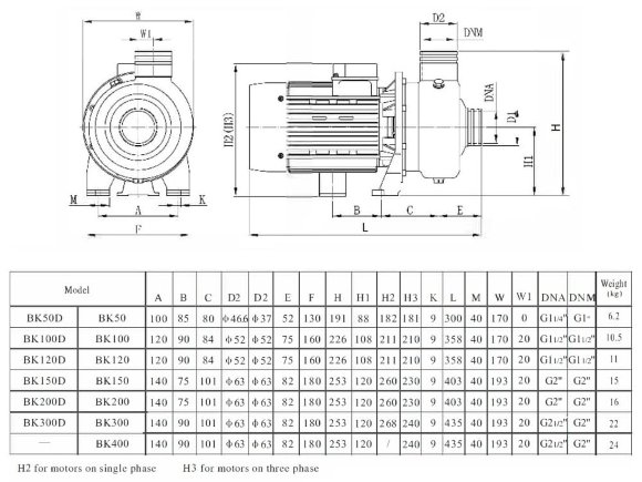
- Центробежный насос бражки BK50D, 0,37 кВт, AISI 304, 220В/50Гц, 2900 с открытым рабочим колесом
Центробежный насос бражки BK50D, 0,37 кВт, AISI 304, 220В/50Гц, 2900 с открытым рабочим колесом
С этим товаром также покупают
Документация
Скачать инструкцию, каталог для Центробежный насос бражки BK50D, 0,37 кВт, AISI 304, 220В/50Гц, 2900 с открытым рабочим колесом
Обзор

Центробежные насосы серии BK с открытым рабочим колесом применяются в промышленности для промывки овощей, фруктов, мяса, рыбы и других пищевых продуктов, при обработке поверхности изделий из металла, промышленных системах мойки стеклянной тары, ящиков, банок, бутылок, в системах охлаждения, в посудомоечных машинах для столовых, в промышленных прачечных. В общем центробежные насосы с открытым рабочим колесом серии BK предназначены для перекачивания как чистой, так и достаточно загрязненной воды. Корпус, задняя крышка, крыльчатка и вал насоса изготовлены из нержавеющей стали AISI304.
Характеристики
| Производитель | BTS Engineering |
| Производительность, м.куб/час | 6 |
| Высота подачи, м.вод.ст | 11.6 |
| Мощность, кВт | 0,37 |
| Материал | AISI 304 нержавеющая сталь |
| Диаметр входного патрубка | G 1 1/4" |
| Диаметр выходного патрубка | G 1" |
| Частота вращения, об/мин | 2 900 |
| Электропитание | 1х220 V, 50 Hz |
| Взрывозащита | нет |
| Высота подачи (max), м.вод.ст | 11.6 |
| Производительность (max), м.куб/час | 6 |
| Температура (max), С | 100 |
| Производительность, л/мин | 100 |
| Габариты, мм | 300x170x191 |
| Тип рабочего колеса | открытое рабочее колесо |
| Материал проточной части | AISI 304 нержавеющая сталь |
| Серия насоса | BK |
| Страна происхождения | Китай |
| Тип насоса | консольный |
| Тип привода | электрический |
| Тип установки | горизонтальный |
| Гарантия, месяцев | 12 |
| Логистические данные: | |
| Вес, кг | 6,2 |
Категории:Консольные насосыНасосы для бассейнов





























































































































































