Каталог товаров
- Главная
- Насосы промышленные
- Насосы по типуБочковые насосыВакуумные насосыВертикальные полупогружные насосыВинтовые насосыВихревые насосыГерметичные насосыДиспергатор - эмульгатор гомогенизаторДозирующие насосыИмпеллерные насосыКанализационные станцииКонсольные насосыКулачковые насосыМембранные диафрагменные пневматические насосыМембранные погружные пневматические насосыМногоступенчатые насосыМоноблочные насосы из чугунаМотопомпыМоторные мембранные насосыНасос Ex ATEXНасос с приводом от ВОМНасосы двустороннего входаНасосы конструкции «Инлайн»Насосы с мокрым роторомОсевые пропеллерные насосыПеристальтические шланговые насосыПластинчато-роторные насосыПлунжерные насосыПоверхностные дренажно-фекальные насосыПогружные дренажно-фекальные насосыПогружные шламовые насосыПоршневые насосыРоликовый насосСамовсасывающие насосыСанитарные, гигиенические насосыСкважинные насосыСоленоидный насос дозаторСтанции водоснабжения и пожаротушенияХимические насосы с магнитной муфтойЦентробежные насосыШестеренные насосыИндустриальные шланговые перистальтические насосы
- Мембранные диафрагменные пневматические насосы
- RUBY FDA 015S-W-ESS-T насос пневматический мембранный
RUBY FDA 015S-W-ESS-T насос пневматический мембранный
С этим товаром также покупают
Документация
Скачать инструкцию, каталог для RUBY FDA 015S-W-ESS-T насос пневматический мембранный
Обзор

Пневматические мембранные насосы Ruby производятся согласно требованиям FDA. Вся гамма данных насосов выполнена из нержавеющей стали AISI 316 Electro polished на основании
Международного Регламента ASTM A380, а PTFE и EPDM мембраны – это мембраны новой технологии со встроенным поршнем. (Compound).
Преимущества насосов Ruby FDA:
- мембраны EPDM нового поколения со встроенным внутренним-внешним поршнем с сертификатом FDA Мембраны нового поколения и дизайна PTFE со встроенным поршнем для более долгого срока службы (compound) с сертификатом FDA. Рабочая температура от -10°C до +130°C;
- мембраны передовых технологий PTFE-Α, обеспечивающие большую подачу с сертификатом FDA;
- экономичное потребление воздуха, экологический дизайн;
- высокая степень производительности;
- оптимальная производительность;
- новый дизайн воздушного клапана, полностью контролируемый проход воздуха;
- простота демонтажа и повторной сборки;
- комбинированные мембраны с модифицированным слоем тефлона, рассчитаны на 100 млн. циклов, идеальны для работы с абразивными жидкостями и для работы в условиях отрицательных температур;
- отличная производительность и соотношение цены и качества;
- идеально подходит для абразивных, вязких и чувствительных к сдвигу сред;
- перекачивание вязких жидкостей;
- простота в обслуживании и замене деталей.
Характеристики
| Производитель | AlphaDynamic |
| Производительность, м.куб/час | 4.32 |
| Высота подачи, м.вод.ст | 70 |
| Материал | AISI 316 нержавеющая сталь |
| Диаметр входного патрубка | 1/2" |
| Диаметр выходного патрубка | 1/2" |
| Взрывозащита | да |
| Высота подачи (max), м.вод.ст | 70 |
| Производительность (max), м.куб/час | 4.32 |
| Температура (max), С | 95 |
| Производительность, л/мин | 72 |
| Модель | RUBY 015 |
| Давление воздуха (max), бар | 7 |
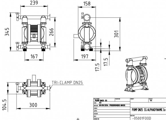
| Габариты, мм | 300х197х345 |
| Максимальный диаметр твердых включений, мм | 3 |
| Диаметр пневматической магистрали | 1/2" |
| Высота сухого всасывания (max), м.вод.ст | 3 |
| Материал корпуса | AISI 316 |
| Материал мембраны со стороны жидкости | EPDM |
| Материал шаровых клапанов | AISI 316 нержавеющая сталь |
| Материал кольцевого уплотнения | PTFE |
| Материал седла клапана | AISI 316 нержавеющая сталь |
| Серия насоса | RUBY FDA |
| Страна происхождения | Греция |
| Тип насоса | мембранный пневматический |
| Тип привода | пневматический |
| Наличие запасных частей | да |
| Гарантия, месяцев | 12 |
| Применение | азотной кислоты, аммиака, бутана, водорода, вязких жидкостей, глины, золы, каолиновой суспензии, карбамида, карбоната, краски, лака, насыщенного амина, олеума, пероксида, серы, систем обратного осмоса, спирта, уксусной кислоты, фенола, формалина, фосфатов, фосфорной кислоты, шлака, шликера, щелочи, этилена, эфиров |
| Аналог | AGRAL DDE-030, AGRAL DDE-100, AGRAL DDE-160, AGRAL DDE-300, AGRAL DDE-60, AGRAL DDE-600, AlphaDynamic Ruby, AQUA, AquaViva, Astralpool, Debem BOXER, Debem FOODBOXER, Debem SANIBOXER, DELLMECO DM, DELLMECO DMCX, DEPA DB, DEPA L, DEPA М, DEPA РМ (Р), DOSITEC, Duotek AF Zone 2 Atex, DUOTEK FOOD, DUOTEK SANI, Emec, FWT, Graco Husky, Grundfos, Injecta, Jesco Pump, MILTON ROY, Milwaukee, PRODOSE, ProMinent, Seko, Sera, WILDEN, YAMADA NDP |
| Логистические данные: | |
| Вес, кг | 9 |
Категории:Мембранные диафрагменные пневматические насосыНасос для азотной кислотыНасос для жидкого стеклаНасос для крема и пастыНасосы для вязких жидкостейНасосы для глицеринаНасосы для кислотыНасосы для клеяНасосы для красок и лакаНасосы для мороженогоНасосы для смолыНасосы для хладонаНасосы для щелочиНасосы кислотостойкие для агрессивной жидкостиДиафрагменные насосы FDAНасос для агрессивных жидкостей, кислотный насосПищевые насосыПневматические насосы































































































































































