Каталог товаров
 Насосы промышленные
Насосы промышленные Торцевые уплотнения
Торцевые уплотнения- Главная
- Насосы промышленные
- Насосы по типуБочковые насосыВакуумные насосыВертикальные полупогружные насосыВинтовые насосыВихревые насосыГерметичные насосыДиспергатор - эмульгатор гомогенизаторДозирующие насосыИмпеллерные насосыКанализационные станцииКонсольные насосыКулачковые насосыМембранные диафрагменные пневматические насосыМембранные погружные пневматические насосыМногоступенчатые насосыМоноблочные насосы из чугунаМотопомпыМоторные мембранные насосыНасос Ex ATEXНасос с приводом от ВОМНасосы двустороннего входаНасосы конструкции «Инлайн»Насосы с мокрым роторомОсевые пропеллерные насосыПеристальтические шланговые насосыПластинчато-роторные насосыПлунжерные насосыПоверхностные дренажно-фекальные насосыПогружные дренажно-фекальные насосыПогружные шламовые насосыПоршневые насосыРоликовый насосСамовсасывающие насосыСанитарные, гигиенические насосыСкважинные насосыСоленоидный насос дозаторСтанции водоснабжения и пожаротушенияХимические насосы с магнитной муфтойЦентробежные насосыШестеренные насосыИндустриальные шланговые перистальтические насосы
- Насосы двустороннего входа
- BSCE 250-450(1500) – насосный агрегат двустороннего входа, 250 кВт
BSCE 250-450(1500) – насосный агрегат двустороннего входа, 250 кВт
С этим товаром также покупают
Документация
Скачать инструкцию, каталог для BSCE 250-450(1500) – насосный агрегат двустороннего входа, 250 кВт
Обзор

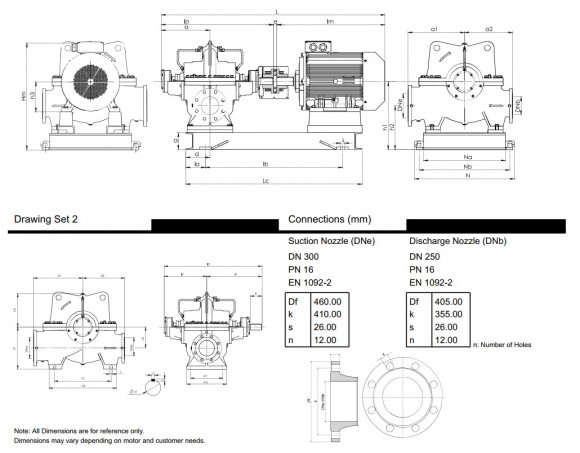
Центробежные насосы с двусторонним входом Серия BSCE.
Применение: в водоемах, в очистных установках, в установках повышения давления, в установках пожаротушения, оросения, для циркуляции воды в источниках климатизации, в сельском хозяйстве.
Особенности:
• Всасывающий и напорный фланцы расположены на одной оси в нижней части корпуса.
• Конструкция с разъемным корпусом позволяет легко демонтировать роторную группу для обслуживания или ремонта без нарушения центровки насосного и всасывающего и нагнетательного трубопроводов.
• Рабочее колесо двойного всасывания.
• Эта особенность добавляет всасывающую способность насоса, а также поглощает баланс гичеслислисивлистости.
• Фланцы соответствуют ISO 7005-2 / PN 16 или PN 25.
• Все рабочие колеса сбалансированы и насыщены в соответствии с классом 6.3 ISO 1940.
• Уплотнение осуществлено сальниковой набивкой, по желанию заказчика может быть торцевым.
Характеристики
| Производитель | ERDURO | 
| Производительность, м.куб/час | 1000 | 
| Высота подачи, м.вод.ст | 58 | 
| Мощность, кВт | 160, 185, 200, 250, 315, 355, 400 | 
| Диаметр входного патрубка | DN300 | 
| Диаметр выходного патрубка | DN250 | 
| Частота вращения, об/мин | 1 500 | 
| Взрывозащита | нет | 
| Высота подачи (max), м.вод.ст | 65 | 
| Производительность (max), м.куб/час | 1400 | 
| Температура (max), С | 110 | 
| Производительность (nom), м.куб/час | 1000 | 
| Высота подачи (nom), м.вод.ст | 58 | 
| Диаметр рабочего колеса, мм | 430 | 
| Материал корпуса | чугун | 
| Страна происхождения | Турция | 
| Тип насоса | двустороннего входа | 
| Тип привода | электрический | 
| Тип установки | горизонтальный | 
| Тип комплектации | с двигателем | 
| Логистические данные: | 


















































































































































 
             
            























