Каталог товаров
- Главная
- Насосы промышленные
- Насосы по типуБочковые насосыВакуумные насосыВертикальные полупогружные насосыВинтовые насосыВихревые насосыГерметичные насосыДиспергатор - эмульгатор гомогенизаторДозирующие насосыИмпеллерные насосыКанализационные станцииКонсольные насосыКулачковые насосыМембранные диафрагменные пневматические насосыМембранные погружные пневматические насосыМногоступенчатые насосыМоноблочные насосы из чугунаМотопомпыМоторные мембранные насосыНасос Ex ATEXНасос с приводом от ВОМНасосы двустороннего входаНасосы конструкции «Инлайн»Насосы с мокрым роторомОсевые пропеллерные насосыПеристальтические шланговые насосыПластинчато-роторные насосыПлунжерные насосыПоверхностные дренажно-фекальные насосыПогружные дренажно-фекальные насосыПогружные шламовые насосыПоршневые насосыРоликовый насосСамовсасывающие насосыСанитарные, гигиенические насосыСкважинные насосыСоленоидный насос дозаторСтанции водоснабжения и пожаротушенияХимические насосы с магнитной муфтойЦентробежные насосыШестеренные насосыИндустриальные шланговые перистальтические насосы
- Многоступенчатые насосы
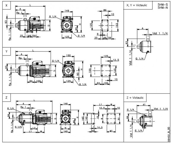
- Многоступенчатый насос Lowara 5HM07S11T5RVBE
Многоступенчатый насос Lowara 5HM07S11T5RVBE
С этим товаром также покупают
Обзор

Насосы серии HMS- это многоступенчатые насосы, ориентированные на работу с водой, содержащей небольшое количество примесей.
Применение:
1. Работа в системах коммунального хозяйства и промышленных производств, где с помощью этих агрегатов можно организовать подачу жидкостей в необходимые объемы на необходимое расстояние и высоту.
2. Подача воды для бытовых нужд в домашнем хозяйстве. Здесь, как правило, насосы работают с чистой водой, снабжая бытовые приборы типа стиральных или посудомоечных машин.
3. Циркуляция воды в системах отопления как частных домов, так и производственных объектов.
Характеристики
| Производитель | LOWARA |
| Производительность, м.куб/час | 8.5 |
| Высота подачи, м.вод.ст | 53 |
| Мощность, кВт | 1,1 |
| Материал | AISI 304 нержавеющая сталь |
| Диаметр входного патрубка | G 1 1/4" |
| Диаметр выходного патрубка | G 1" |
| Частота вращения, об/мин | 2 900 |
| Степень защиты | IP55 |
| Электропитание | 3х380 V, 50 Hz |
| Высота подачи (max), м.вод.ст | 53 |
| Производительность (max), м.куб/час | 8.5 |
| Температура (max), С | 120 |
| Материал рабочего колеса | AISI 304 нержавеющая сталь |
| Страна происхождения | Италия |
| Тип насоса | многоступенчатый |
| Тип привода | электрический |
| Тип установки | горизонтальный |
| Логистические данные: | |
| Вес, кг | 16 |



























































































































































