Каталог товаров
- Главная
- Насосы промышленные
- Насосы по типуБочковые насосыВакуумные насосыВертикальные полупогружные насосыВинтовые насосыВихревые насосыГерметичные насосыДиспергатор - эмульгатор гомогенизаторДозирующие насосыИмпеллерные насосыКанализационные станцииКонсольные насосыКулачковые насосыМембранные диафрагменные пневматические насосыМембранные погружные пневматические насосыМногоступенчатые насосыМоноблочные насосы из чугунаМотопомпыМоторные мембранные насосыНасос Ex ATEXНасос с приводом от ВОМНасосы двустороннего входаНасосы конструкции «Инлайн»Насосы с мокрым роторомОсевые пропеллерные насосыПеристальтические шланговые насосыПластинчато-роторные насосыПлунжерные насосыПоверхностные дренажно-фекальные насосыПогружные дренажно-фекальные насосыПогружные шламовые насосыПоршневые насосыРоликовый насосСамовсасывающие насосыСанитарные, гигиенические насосыСкважинные насосыСоленоидный насос дозаторСтанции водоснабжения и пожаротушенияХимические насосы с магнитной муфтойЦентробежные насосыШестеренные насосыИндустриальные шланговые перистальтические насосы
- Многоступенчатые насосы
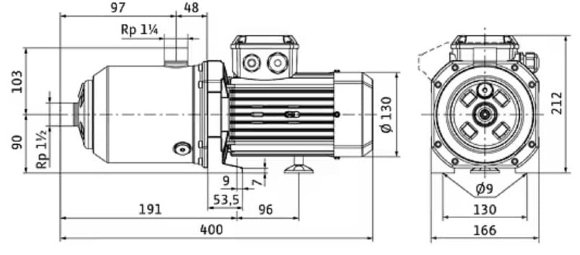
- MEDANA CH1-L.1002-1/E/E/10T насос WILO многоступенчатый для водоснабжения
MEDANA CH1-L.1002-1/E/E/10T насос WILO многоступенчатый для водоснабжения
С этим товаром также покупают
Обзор

Горизонтальный, самовсасывающий, многоступенчатый насос с высокой гидравлической производительностью. Компактная и прочная конструкция с корпусом насоса из серого чугуна с катафорезным покрытием. Ступени камеры, рабочие колеса и диффузоры изготовлены из нержавеющей стали. Для использования при температурах окружающей среды до 50 ° C и, таким образом, предлагает широкую область применения для интеграции в большие системы.
Насос предназначен для водоснабжения и повышения давления, промышленных циркуляционных систем, технологических контуров и охлаждающей воды. Его также можно использовать на автомойках и для полива.
Характеристики
| Производитель | Wilo |
| Производительность, м.куб/час | 14.7 |
| Высота подачи, м.вод.ст | 25.5 |
| Мощность, кВт | 1,1 |
| Диаметр входного патрубка | G 1 1/2" |
| Диаметр выходного патрубка | G 1 1/4" |
| Частота вращения, об/мин | 2900 |
| Степень защиты | IP55 |
| Электропитание | 3х380 V, 50 Hz |
| Взрывозащита | нет |
| Высота подачи (max), м.вод.ст | 25.5 |
| Производительность (max), м.куб/час | 14.7 |
| Температура (max), С | 120 |
| Уплотнение | Mechanical Seal |
| Материал вала | нержавіюча сталь |
| Страна происхождения | Германия |
| Тип насоса | многоступенчатый |
| Тип привода | электрический |
| Тип установки | горизонтальный |
| Тип комплектации | с двигателем |
| Логистические данные: | |
| Вес, кг | 12,6 |



























































































































































