Каталог товаров
- Главная
- Насосы промышленные
- Насосы по типуБочковые насосыВакуумные насосыВертикальные полупогружные насосыВинтовые насосыВихревые насосыГерметичные насосыДиспергатор - эмульгатор гомогенизаторДозирующие насосыИмпеллерные насосыКанализационные станцииКонсольные насосыКулачковые насосыМембранные диафрагменные пневматические насосыМембранные погружные пневматические насосыМногоступенчатые насосыМоноблочные насосы из чугунаМотопомпыМоторные мембранные насосыНасос Ex ATEXНасос с приводом от ВОМНасосы двустороннего входаНасосы конструкции «Инлайн»Насосы с мокрым роторомОсевые пропеллерные насосыПеристальтические шланговые насосыПластинчато-роторные насосыПлунжерные насосыПоверхностные дренажно-фекальные насосыПогружные дренажно-фекальные насосыПогружные шламовые насосыПоршневые насосыРоликовый насосСамовсасывающие насосыСанитарные, гигиенические насосыСкважинные насосыСоленоидный насос дозаторСтанции водоснабжения и пожаротушенияХимические насосы с магнитной муфтойЦентробежные насосыШестеренные насосыИндустриальные шланговые перистальтические насосы
- Многоступенчатые насосы
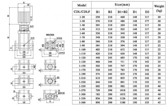
- CDLF 1-360, AISI 304, Ex насос для спирта взрывозащищенный
CDLF 1-360, AISI 304, Ex насос для спирта взрывозащищенный
С этим товаром также покупают
Документация
Скачать инструкцию, каталог для CDLF 1-360, AISI 304, Ex насос для спирта взрывозащищенный
Обзор

Применение: насос спирта, насос спиртосодержащих жидкостей, насос на БРУ, насос для ректификации, насос растворителя, насос для добавок, насос химический EX, насос для топлива, насос для КАС, насос для химии, насос пищевой, насос EX, насос спиртовой, насос для взрывоопасных жидкостей, насос для помещений взрывоопасных.
Насос многоступенчатый взрывозащищенный представляет собой семейство многоцелевых насосов пригодных для различных областей применения, где требуются надежные и рентабельные системы водоснабжения.
Насосы CDLF используются для перекачивания различных жидкостей, начиная от питьевой воды и заканчивая технологическими жидкостями в широком диапазоне значений температуры, расхода и напора.
Рабочее колесо, направляющие аппараты и все части, которые контактируют с жидкостью, изготавливаются из нержавеющей стали AISI 304, AISI 316 методом штампования и литья, а значит, проточный путь гладкий и предотвращает загрязнение насосной части. Торцевое уплотнение картриджного типа имеет увеличенный срок службы по сравнению с обычным и легко заменяется.
Эти насосы нашли широкое применение в системах водоснабжения, для технологических целей, в моечных установках и очистных сооружениях, в системах питания котлов и удаления конденсата, системы ультра-фильтрации, системы обратного осмоса и прочее.
Насосы этой серии комплектуются двигателем взрывозащищенного исполнения по стандарту Ex dIIBT4, что позволяет использовать их в производственных помещениях соответствующей категории взрывопожарной опасности.
Взрывозащищенное оборудование всегда имеет маркировку.
Пример маркировки: 1ExdellCT4
Описание маркировки:
1 - уровень взрывозащиты: взрывобезопасное оборудование, в котором взрывозащита обеспечивается как при нормальном режиме работы, так и при признанных вероятных повреждениях, кроме повреждений средств взрывозащиты.
Ех - знак, указывающий на соответствие оборудования требованиям ГОСТ 12.2.020.
d - вид взрывозащиты "d" - взрывонепроницаемая оболочка по ГОСТ 22782.6.
е - вид взрывозащиты "е" по ГОСТ 22782.7.
IIС - знак подгруппы электрооборудования, соответствующий категории взрывоопасных смесей, для которых оборудование является взрывозащищенным.
Т4 - знак температурной группы смесей, в которых оборудование является взрывозащищенным.
Характеристики
| Производитель | BTS Engineering |
| Производительность, м.куб/час | 2 |
| Высота подачи, м.вод.ст | 214 |
| Мощность, кВт | 2,2 |
| Материал | AISI 304 нержавеющая сталь |
| Диаметр входного патрубка | DN25 |
| Диаметр выходного патрубка | DN25 |
| Частота вращения, об/мин | 2 900 |
| Степень защиты | IP55 |
| Взрывозащита | да |
| Высота подачи (max), м.вод.ст | 214 |
| Производительность (max), м.куб/час | 2 |
| Температура (max), С | 120 |
| Материал корпуса | AISI 304 нержавеющая сталь |
| Материал проточной части | AISI 304 нержавеющая сталь |
| Серия насоса | CDLF |
| Страна происхождения | Китай |
| Тип насоса | многоступенчатый |
| Тип привода | электрический |
| Тип установки | вертикальный |
| Наличие запасных частей | да |
| Гарантия, месяцев | 12 |
| Применение | аэропоники, водоочистки, водоподготовки, водоснабжения, воды, гидропоники, горячей воды, каустика, котла, мембран, мойки, орошения, осмоса, парового котла, повышения давления, промывки, теплиц, фонтана, форсунки, щелочи |
| Аналог | Aquatica LVR, Calpeda MXV, Dab KVC, EBARA EVM, Ebara EVMS, EBARA EVMW, Grundfos CR, Lowara SV, Speroni RVM, Varna, VMtec PRIMA VMEV |
| Логистические данные: |
Категории:Многоступенчатые насосыМногоступенчатые взрывозащищенные насосы серии CDLF, BVS































































































































































