Каталог товаров
- Главная
- Насосы промышленные
- Насосы по типуБочковые насосыВакуумные насосыВертикальные полупогружные насосыВинтовые насосыВихревые насосыГерметичные насосыДиспергатор - эмульгатор гомогенизаторДозирующие насосыИмпеллерные насосыКанализационные станцииКонсольные насосыКулачковые насосыМембранные диафрагменные пневматические насосыМембранные погружные пневматические насосыМногоступенчатые насосыМоноблочные насосы из чугунаМотопомпыМоторные мембранные насосыНасос Ex ATEXНасос с приводом от ВОМНасосы двустороннего входаНасосы конструкции «Инлайн»Насосы с мокрым роторомОсевые пропеллерные насосыПеристальтические шланговые насосыПластинчато-роторные насосыПлунжерные насосыПоверхностные дренажно-фекальные насосыПогружные дренажно-фекальные насосыПогружные шламовые насосыПоршневые насосыРоликовый насосСамовсасывающие насосыСанитарные, гигиенические насосыСкважинные насосыСоленоидный насос дозаторСтанции водоснабжения и пожаротушенияХимические насосы с магнитной муфтойЦентробежные насосыШестеренные насосыИндустриальные шланговые перистальтические насосы
- Многоступенчатые насосы
- Насос секционный ЦНС 500-420, 1000 кВт, 1500 об/мин для систем водоснабжения, без двигателя
Насос секционный ЦНС 500-420, 1000 кВт, 1500 об/мин для систем водоснабжения, без двигателя
С этим товаром также покупают
Документация
Скачать инструкцию, каталог для Насос секционный ЦНС 500-420, 1000 кВт, 1500 об/мин для систем водоснабжения, без двигателя
Обзор

Промышленные центробежные секционные (многоступенчатые) насосы ЦНС и ЦНС(г) – это серия водяных насосов большой производительности. Предназначены для перекачки технической воды, имеющей водородный показатель рН 7...8,5, с массовой долей механических примесей не более 0,05 %, размером твердых частиц не более 0,2 мм, микротвердостью не более 1,47 гПа (147 кгс/мм2). Насосы ЦНС предназначены для перекачки воды с температурой до +45°С, а ЦНС(г) – для перекачки воды с температурой от +45°С до +105°С. Насосы и агрегаты производятся в общепромышленном исполнении и не могут применяться на взрыво- и пожароопасных производствах. Основными сферами применения насосов ЦНС являются случаи повышенного объема перекачиваемой жидкости, например, для предприятий ЖКХ (водоканалов), а также насосы для горной и горнодобывающей промышленности.
Характеристики
| Производитель | Укрнасоссервис |
| Производительность, м.куб/час | 500 |
| Высота подачи, м.вод.ст | 420 |
| Мощность, кВт | 1 000 |
| Материал | чугун |
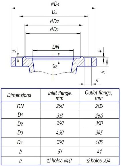
| Диаметр входного патрубка | DN250 |
| Диаметр выходного патрубка | DN200 |
| Частота вращения, об/мин | 1 500 |
| Электропитание | 3х380 V, 50 Hz |
| Взрывозащита | нет |
| Температура (max), С | 45 |
| Габариты, мм | 2009x810x830 |
| Производительность (nom), м.куб/час | 500 |
| Высота подачи (nom), м.вод.ст | 420 |
| Серия насоса | ЦНС |
| Страна происхождения | Украина |
| Тип насоса | многоступенчатый |
| Тип привода | электрический |
| Тип установки | горизонтальный |
| Тип комплектации | без двигателя |
| Логистические данные: |
Категории:Многоступенчатые насосыЦентробежные насосы секционные тип ЦНС, ЦНСг, ЦНСгм































































































































































