Каталог товаров
- Главная
- Насосы промышленные
- Насосы по типуБочковые насосыВакуумные насосыВертикальные полупогружные насосыВинтовые насосыВихревые насосыГерметичные насосыДиспергатор - эмульгатор гомогенизаторДозирующие насосыИмпеллерные насосыКанализационные станцииКонсольные насосыКулачковые насосыМембранные диафрагменные пневматические насосыМембранные погружные пневматические насосыМногоступенчатые насосыМоноблочные насосы из чугунаМотопомпыМоторные мембранные насосыНасос Ex ATEXНасос с приводом от ВОМНасосы двустороннего входаНасосы конструкции «Инлайн»Насосы с мокрым роторомОсевые пропеллерные насосыПеристальтические шланговые насосыПластинчато-роторные насосыПлунжерные насосыПоверхностные дренажно-фекальные насосыПогружные дренажно-фекальные насосыПогружные шламовые насосыПоршневые насосыРоликовый насосСамовсасывающие насосыСанитарные, гигиенические насосыСкважинные насосыСоленоидный насос дозаторСтанции водоснабжения и пожаротушенияХимические насосы с магнитной муфтойЦентробежные насосыШестеренные насосыИндустриальные шланговые перистальтические насосы
- Насосы с мокрым ротором
- Varios PICO-STG 15/1-7 циркуляционный насос WILO с электронным управлением
Varios PICO-STG 15/1-7 циркуляционный насос WILO с электронным управлением
С этим товаром также покупают
Обзор

Циркуляционный насос Wilo-Varios PICO-STG с мокрым ротором с резьбовым соединением, устойчивый к токам блокировки синхронный двигатель в соответствии с ECM-технологией и интегрированный электронный блок регулирования мощности для плавного регулирования перепада давления. Возможность применения для всех систем отопления и кондиционирования, а также для солнечных и геотермических установок.
Способы управления с возможностью предварительного выбора для оптимальной настройки нагрузки:
- Постоянный перепад давления (Δp-c), 3 предварительно заданные характеристические кривые;
- Переменный перепад давления (Δp-v), 3 предварительно заданные характеристические кривые;
- Постоянное число оборотов (3 ступени числа оборотов);
- Внешнее регулирование через сигнал iPWM GT (отопление/геотермическая энергия) или iPWM ST (солнечная энергия);
- Функция Sync (ручной режим программирования) для перепрограммирования насоса в случае замены;
- Ручная функция удаления воздуха для вентиляции роторного отсека;
- Ручной повторный запуск;
- Светодиодная индикация;
- Индикация выбранного способа управления и характеристической кривой;
- Индикация состояния во время удаления воздуха и ручного перезапуска;
- Светодиодная кодировка во время функции Sync;
- Индикация работы и неисправностей;
- Встроенная защита двигателя;
- Функция автоматической разблокировки
- Электрический соединительный кабель с 3-полюсным штекерным соединением и соединением Wilo-Connector;
- Подключение PWM; Подключение PWM
- Корпус насоса с катафорезным покрытием.
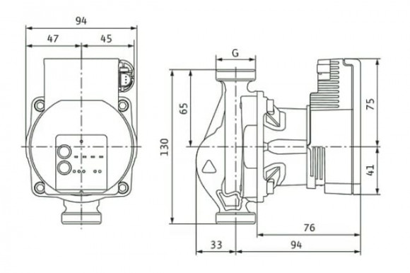
Характеристики
| Частотное регулирование | да |
| Производитель | Wilo |
| Производительность, м.куб/час | 3.8 |
| Высота подачи, м.вод.ст | 6.5 |
| Мощность, кВт | 0,038 |
| Диаметр входного патрубка | G 1" |
| Диаметр выходного патрубка | G 1" |
| Степень защиты | IPХ4D |
| Электропитание | 1х220 V, 50 Hz |
| Высота подачи (max), м.вод.ст | 6.5 |
| Производительность (max), м.куб/час | 3.8 |
| Температура (max), С | 95 |
| Давление, бар | 10 |
| Монтажная длина, мм | 180 |
| Материал корпуса | чугун |
| Материал вала | нержавіюча сталь |
| Серия насоса | Varios PICO-STG |
| Тип насоса | с мокрым ротором |
| Тип привода | электрический |
| Тип установки | вертикальный |
| Тип комплектации | с двигателем |
| Логистические данные: | |
| Вес, кг | 1,6 |



























































































































































