Каталог товаров
- Главная
- Насосы промышленные
- Насосы по типуБочковые насосыВакуумные насосыВертикальные полупогружные насосыВинтовые насосыВихревые насосыГерметичные насосыДиспергатор - эмульгатор гомогенизаторДозирующие насосыИмпеллерные насосыКанализационные станцииКонсольные насосыКулачковые насосыМембранные диафрагменные пневматические насосыМембранные погружные пневматические насосыМногоступенчатые насосыМоноблочные насосы из чугунаМотопомпыМоторные мембранные насосыНасос Ex ATEXНасос с приводом от ВОМНасосы двустороннего входаНасосы конструкции «Инлайн»Насосы с мокрым роторомОсевые пропеллерные насосыПеристальтические шланговые насосыПластинчато-роторные насосыПлунжерные насосыПоверхностные дренажно-фекальные насосыПогружные дренажно-фекальные насосыПогружные шламовые насосыПоршневые насосыРоликовый насосСамовсасывающие насосыСанитарные, гигиенические насосыСкважинные насосыСоленоидный насос дозаторСтанции водоснабжения и пожаротушенияХимические насосы с магнитной муфтойЦентробежные насосыШестеренные насосыИндустриальные шланговые перистальтические насосы
- Химические насосы с магнитной муфтой
- Насос с магнитной муфтой DM 10 PVDF, VITON, 0.75 кВт
Насос с магнитной муфтой DM 10 PVDF, VITON, 0.75 кВт
С этим товаром также покупают
Обзор

Герметичные насосы DM без уплотнений и с магнитной муфтой.
Герметичные насосы с магнитной муфтой применяются для перекачивания коррозийных, токсических или воспламеняющихся жидкостей, а также жидкостей с содержанием частиц.
Несколько магнитов приводит насос в движение, внешний магнит, расположенный на валу, передает движение внутреннему магниту, встроенному в рабочее колесо, которое герметически изолировано. Рабочее колесо не крепится на валу насоса, следовательно, уплотнения отсутствуют, что исключает утечку перекачиваемой жидкости, как следствие износа уплотнений. Головка насоса состоит из нескольких компонентов, упрощая, таким образом, техническое обслуживание. Стандартные материалы исполнения насоса: полипропилен (PP) и поливинилинденфторид (PVDF).
Эти насосы не могут работать “всухую”. Перекачивание загрязненных жидкостей приводит к сокращению срока службы насосов.
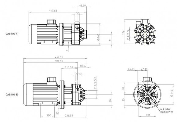
Характеристики
| Производитель | DEBEM |
| Производительность, м.куб/час | 13 |
| Высота подачи, м.вод.ст | 13.8 |
| Мощность, кВт | 0,75 |
| Материал | PVDF |
| Диаметр входного патрубка | 1 1/2" |
| Диаметр выходного патрубка | 1" |
| Электропитание | 3х380 V, 50 Hz |
| Высота подачи (max), м.вод.ст | 13.8 |
| Производительность (max), м.куб/час | 13 |
| Температура (max), С | 95 |
| Максимальная вязкость, сПз | 150 |
| Модель | DM10 |
| Максимальная температура жидкости, °C | 95 |
| Диаметр рабочего колеса, мм | 85 |
| Материал проточной части | PVDF |
| Материал кольцевого уплотнения | VITON |
| Серия насоса | DM |
| Страна происхождения | Италия |
| Тип насоса | с магнитной муфтой |
| Тип привода | электрический |
| Наличие запасных частей | да |
| Логистические данные: |
Категории:Химические насосы с магнитной муфтойГерметичные насосыЦентробежные насосыНасос для азотной кислотыНасосы для кислотыНасосы для щелочиНасосы кислотостойкие для агрессивной жидкостиНасос для агрессивных жидкостей, кислотный насосНасосы для гальваникиНасосы с магнитной муфтой DM





























































































































































