Каталог товаров
- Главная
- Насосы промышленные
- Насосы по типуБочковые насосыВакуумные насосыВертикальные полупогружные насосыВинтовые насосыВихревые насосыГерметичные насосыДиспергатор - эмульгатор гомогенизаторДозирующие насосыИмпеллерные насосыКанализационные станцииКонсольные насосыКулачковые насосыМембранные диафрагменные пневматические насосыМембранные погружные пневматические насосыМногоступенчатые насосыМоноблочные насосы из чугунаМотопомпыМоторные мембранные насосыНасос Ex ATEXНасос с приводом от ВОМНасосы двустороннего входаНасосы конструкции «Инлайн»Насосы с мокрым роторомОсевые пропеллерные насосыПеристальтические шланговые насосыПластинчато-роторные насосыПлунжерные насосыПоверхностные дренажно-фекальные насосыПогружные дренажно-фекальные насосыПогружные шламовые насосыПоршневые насосыРоликовый насосСамовсасывающие насосыСанитарные, гигиенические насосыСкважинные насосыСоленоидный насос дозаторСтанции водоснабжения и пожаротушенияХимические насосы с магнитной муфтойЦентробежные насосыШестеренные насосыИндустриальные шланговые перистальтические насосы
- Моторные мембранные насосы
- Мембраннный насос-дозатор PDM-D 209-6 230/1/50 0,25
Мембраннный насос-дозатор PDM-D 209-6 230/1/50 0,25
С этим товаром также покупают
Документация
Скачать инструкцию, каталог для Мембраннный насос-дозатор PDM-D 209-6 230/1/50 0,25
Обзор

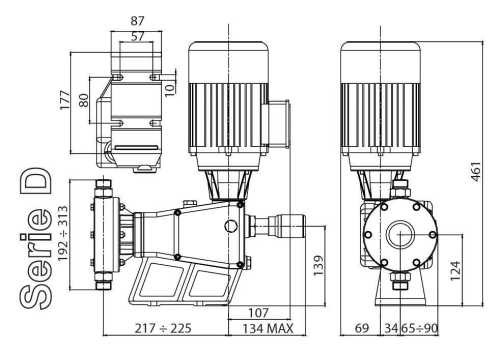
Мембранные насосы серия D – мембранные дозировочные насосы предназначены для дозирования химических веществ. Корпус изготовлен из литого алюминия, защищенного эпоксидной, антикислотной краской.
Производительность насосов регулируется при помощи микрометрической ручки, которая управляет длиной хода пистона. Регулировка производительности может осуществляться во время работы насоса. Насос приводится в действие вертикально расположенным двигателем. Коробка передач работает по принципу холостого хода (возврат пистона происходит при помощи пружины возврата).
Мембранные дозирующие насосы серии «D», производительностью от 56 до 535 л/ч, с противодавлением от 2,5 до 12 бар.
Стандартные варианты исполнения:
- Конфигурация AA — головка насоса — н/ст AISI 316L, O-ring - NBR, мембрана - PTFE.
Приминения: Насос для гипохлорит, насос для щелечи, насос для кислоты, насос для флокулянта, насос для химии, химический насос, насос для басейна, насос для водоочистки, насос пищевых добавок, насос клея, насос добавки, насос ферментов, насос сульфата, насос растворителя.
Насосы для гидроксида кальция Ca(OH)2 (известкового молока) кислоты, агрессивной среды, агрессивной жидкости, химического раствора,
химической жидкости известкового молока, насос серной кислоты, насос соляной кислоты, насос азотной кислоты, насос борной кислоты, насос уксусной кислоты, насос лимонной кислоты.
Насос кислотного раствора, насос кислотной жидкости, насос щелочного раствора, насос щелочной жидкости, насос агрессивного раствора.
Перекачка насосом соляной кислоты, серной кислоты.
Обеспечиваеться насосами типов:
- соленоидные дозирующие насосы.
- мембранные моторные дозирующие насосы.
- горизонтальные центробежные химические насосы.
- мембранные пневматические насосы.
Характеристики
| Производитель | ETATRON D.S. |
| Мощность, кВт | 0,25 |
| Материал | ПВХ |
| Взрывозащита | нет |
| Управление | Аналоговое (ручное) |
| Модель | BA |
| Давление, бар | 6 |
| Производительность, л/ч | 209 |
| Соединение | 1" Gm |
| Длина хода мембраны, мм | 8,5 |
| Диаметр мембраны, мм | 95 |
| Количество ходов мембраны /мин. | 103 |
| Материал насосной части | ПВХ |
| Серия насоса | D |
| Страна происхождения | Италия |
| Тип насоса | мембранный моторный |
| Тип привода | электрический |
| Наличие запасных частей | да |
| Применение | азотной кислоты, антиспумина, бревиол, букофоума, гидроксида алюминия, дозирование воды, дозирование кислот и щелочей, дозирование консервантов, дозирование сиропов, дозирование фруктовых концентратов, дозирования добавок для глазури, дозировка ароматизаторов, дозировка дрожжей, дозировка ферментов, дозировка эссенций, кебоспума, минифома, формалина |
| Аналог | AquaViva, ASeko, Descon trol S, Emec, FWT, Injecta, Seko |
| Логистические данные: |
Категории:Моторные мембранные насосыДозирующие насосыНасос для дозирования гипохлорита, хлораНасосы для подачи химреагентов дозирующиеМембранные насосы D

























































































































































