Каталог товаров
- Главная
- Насосы промышленные
- Насосы по типуБочковые насосыВакуумные насосыВертикальные полупогружные насосыВинтовые насосыВихревые насосыГерметичные насосыДиспергатор - эмульгатор гомогенизаторДозирующие насосыИмпеллерные насосыКанализационные станцииКонсольные насосыКулачковые насосыМембранные диафрагменные пневматические насосыМембранные погружные пневматические насосыМногоступенчатые насосыМоноблочные насосы из чугунаМотопомпыМоторные мембранные насосыНасос Ex ATEXНасос с приводом от ВОМНасосы двустороннего входаНасосы конструкции «Инлайн»Насосы с мокрым роторомОсевые пропеллерные насосыПеристальтические шланговые насосыПластинчато-роторные насосыПлунжерные насосыПоверхностные дренажно-фекальные насосыПогружные дренажно-фекальные насосыПогружные шламовые насосыПоршневые насосыРоликовый насосСамовсасывающие насосыСанитарные, гигиенические насосыСкважинные насосыСоленоидный насос дозаторСтанции водоснабжения и пожаротушенияХимические насосы с магнитной муфтойЦентробежные насосыШестеренные насосыИндустриальные шланговые перистальтические насосы
- Насос с приводом от ВОМ
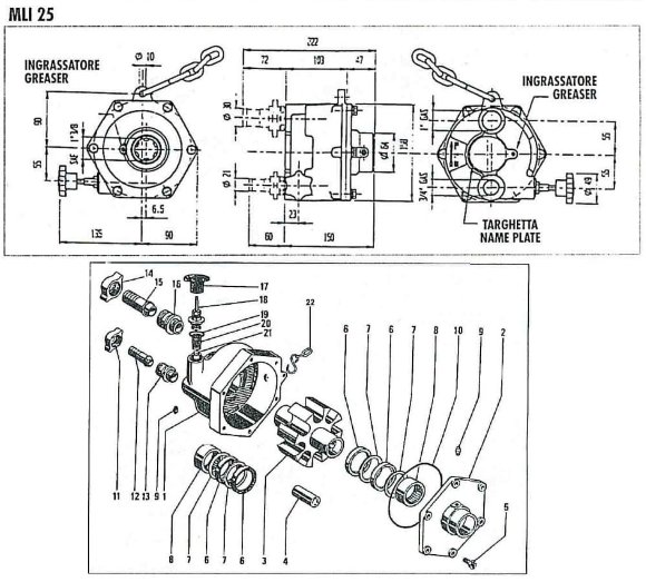
- MLI 25 насос роликовый от ВОМ трактора для внесения КАС
MLI 25 насос роликовый от ВОМ трактора для внесения КАС
С этим товаром также покупают
Документация
Скачать инструкцию, каталог для MLI 25 насос роликовый от ВОМ трактора для внесения КАС
Обзор

Насосы серии ML и MT являются наиболее популярными насосами для сельскохозяйственной деятельности. Самовсасывающие с роликами, которые наносятся непосредственно на ВОМ трактора без использования карданного вала.
Благодаря практичности использования и технического обслуживания, они являются популярными во всем мире насосами для сельскохозяйственных работ, таких как мойка под высоким давлением, орошение с разбрызгивателями или без них, а также при наличии почв с большой разницей в высоте, перемещении и распылении.
Роликовым насосам отдают предпочтение абсолютное большинство фермеров по всему миру. Ролики вращаются внутри корпуса насоса и выталкивают раствор для распыления через выпускное отверстие к форсунке. Роликовые насосы имеют небольшую стоимость, и они исключительно универсальны. Они эффективно работают при скорости вала отбора мощности от 540 до 1000 об/мин и имеют широкий диапазон давлений до 25 бар и скорость потока от 8 до 300 л/мин. Роликовые насосы имеют функцию самозаполнения и легко монтируются на вал отбора мощности или подключаются к двигателю внутреннего сгорания. Специальные материалы, из которых изготавливаются уплотнения, ролики и отливки можно выбрать для совместимости с определенными гербицидами, пестицидами, фунгицидами и удобрениями.
Все модели оснащены цепью для крепления к неподвижной точке на тракторе.
Эта модель "MLI 25" оснащена латунным клапаном регулирования давления и перепускным клапаном, который позволяет рециркуляцию воды на выходе.
Корпус насоса из чугуна, ротор с нейлоновыми роликами, крышка из чугуна. В комплекте цепь для крепления к неподвижной точке трактора
Характеристики
| Производитель | Ferroni |
| Производительность, м.куб/час | 10.8 |
| Материал | чугун |
| Диаметр входного патрубка | 30 mm |
| Диаметр выходного патрубка | 19 mm |
| Количество шлицов | 6х29х35 |
| Мощность на валу, л.с. | 5 |
| Производительность (max), м.куб/час | 10.8 |
| Габариты, мм | 200 x 250 x 200 |
| Высота сухого всасывания (max), м.вод.ст | 6 |
| Страна происхождения | Италия |
| Тип насоса | с приводом от ВОМ |
| Тип привода | механический от ВОМ |
| Наличие запасных частей | да |
| Гарантия, месяцев | 12 |
| Применение | наполнения водоёмов, наполнения емкостей, пожаротушения, полива, распыления жидких удобрений |
| Аналог | BBA pumps, Caprari, Comet, FAMOS, GEA, GPA, Kömag, Rovatti, Svahen, VARISCO, Yuzuak Sprinklers Irrigation, ОМЗ Пинск |
| Логистические данные: | |
| Вес, кг | 11 |
| Вес брутто, кг | 13 |
| Транспортная упаковка: длина, см | 18 |
| Транспортная упаковка: ширина, см | 23 |
| Транспортная упаковка: высота, см | 20 |
Категории:Насос с приводом от ВОМРоликовый насосНасосы для аммиачной воды, гидрооксида аммония NH4OHНасосы для водыНасосы для ирригации с приводом от ВОМНасосы тракторные ВОМ
























































































































































































