Каталог товаров
- Главная
- Насосы промышленные
- Насосы по типуБочковые насосыВакуумные насосыВертикальные полупогружные насосыВинтовые насосыВихревые насосыГерметичные насосыДиспергатор - эмульгатор гомогенизаторДозирующие насосыИмпеллерные насосыКанализационные станцииКонсольные насосыКулачковые насосыМембранные диафрагменные пневматические насосыМембранные погружные пневматические насосыМногоступенчатые насосыМоноблочные насосы из чугунаМотопомпыМоторные мембранные насосыНасос Ex ATEXНасос с приводом от ВОМНасосы двустороннего входаНасосы конструкции «Инлайн»Насосы с мокрым роторомОсевые пропеллерные насосыПеристальтические шланговые насосыПластинчато-роторные насосыПлунжерные насосыПоверхностные дренажно-фекальные насосыПогружные дренажно-фекальные насосыПогружные шламовые насосыПоршневые насосыРоликовый насосСамовсасывающие насосыСанитарные, гигиенические насосыСкважинные насосыСоленоидный насос дозаторСтанции водоснабжения и пожаротушенияХимические насосы с магнитной муфтойЦентробежные насосыШестеренные насосыИндустриальные шланговые перистальтические насосы
- Насос с приводом от ВОМ
- Veneroni LKT 100/850, 180 m3/h насос высокого давления от ВОМ
Veneroni LKT 100/850, 180 m3/h насос высокого давления от ВОМ
С этим товаром также покупают
Документация
Скачать инструкцию, каталог для Veneroni LKT 100/850, 180 m3/h насос высокого давления от ВОМ
Обзор

Насос LKT позволяет достичь высокого напора, используя мощность трактора. Оснащенный эффективной системой измельчения и специальной открытой крыльчаткой, он позволяет перекачевать сточные воды, содержащие твердые и волокнистые вещества на значительном расстоянии, идеально подходит использование в распределительных системах; полуавтоматическая система грунтовки обеспечивает простое и быстрое грунтование.
Характеристики
| Производитель | Veneroni |
| Производительность, м.куб/час | 180 |
| Высота подачи, м.вод.ст | 116 |
| Материал | чугун |
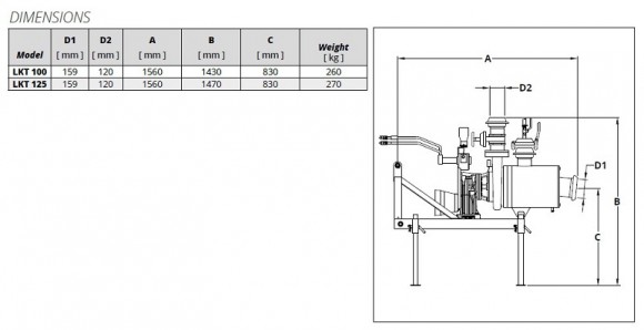
| Диаметр входного патрубка | 159 mm |
| Диаметр выходного патрубка | 120 mm |
| Частота вращения, об/мин | 2 900 |
| Высота подачи (max), м.вод.ст | 116 |
| Мощность на валу, л.с. | 101 |
| Производительность (max), м.куб/час | 180 |
| Частота вращения ВОМ, об/мин. | 850 |
| Материал корпуса | чугун GS 400 |
| Материал насосной части | чугун GS 400 |
| Серия насоса | LKT |
| Страна происхождения | Италия |
| Тип насоса | с приводом от ВОМ |
| Тип привода | механический от ВОМ |
| Гарантия, месяцев | 12 |
| Логистические данные: | |
| Вес, кг | 260 |
Категории:Насос с приводом от ВОМНасосы для аммиачной воды, гидрооксида аммония NH4OHНасосы высокого давления LKT от ВОМНасосы тракторные ВОМ





































































































































































