Каталог товаров
- Главная
- Насосы промышленные
- Насосы по типуБочковые насосыВакуумные насосыВертикальные полупогружные насосыВинтовые насосыВихревые насосыГерметичные насосыДиспергатор - эмульгатор гомогенизаторДозирующие насосыИмпеллерные насосыКанализационные станцииКонсольные насосыКулачковые насосыМембранные диафрагменные пневматические насосыМембранные погружные пневматические насосыМногоступенчатые насосыМоноблочные насосы из чугунаМотопомпыМоторные мембранные насосыНасос Ex ATEXНасос с приводом от ВОМНасосы двустороннего входаНасосы конструкции «Инлайн»Насосы с мокрым роторомОсевые пропеллерные насосыПеристальтические шланговые насосыПластинчато-роторные насосыПлунжерные насосыПоверхностные дренажно-фекальные насосыПогружные дренажно-фекальные насосыПогружные шламовые насосыПоршневые насосыРоликовый насосСамовсасывающие насосыСанитарные, гигиенические насосыСкважинные насосыСоленоидный насос дозаторСтанции водоснабжения и пожаротушенияХимические насосы с магнитной муфтойЦентробежные насосыШестеренные насосыИндустриальные шланговые перистальтические насосы
- Плунжерные насосы
- Насос для гипохлорит PDM-P AA 431/9 400/3/50 0,55
Насос для гипохлорит PDM-P AA 431/9 400/3/50 0,55
С этим товаром также покупают
Документация
Скачать инструкцию, каталог для Насос для гипохлорит PDM-P AA 431/9 400/3/50 0,55
Обзор

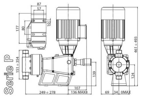
Плунжерные насосы серия P – серия плунжерных дозировочных насосов, один из видов объемных насосов, вытесняющим органом в которых плунжер, совершающим возвратно-поступательное движение. Корпус насоса изготовлен из литого алюминия, защищенного эпоксидной, антикислотной краской.
Производительность насосов регулируется при помощи микрометрической ручки, которая управляет длиной хода плунжера. Регулировка производительности может осуществляться во время работы насоса. Насос приводится в действие вертикально расположенным двигателем. Коробка передач работает по принципу холостого хода (возврат пистона происходит при помощи пружины возврата).
Плунжерные химические дозировочные насосы серии «P», производительность насосов от 14 до 1027 л/ч, противодавление от 3 до 25 бар.
Стандартные варианты исполнения:
- Конфигурация AA — головка насоса - н/ст AISI 316L, O-ring - NBR, плунжер - н/ст AISI 316L
Приминения: Насос для гипохлорит, насос для щелечи, насос для кислоты, насос для флокулянта, насос для химии, химический насос, насос для басейна, насос для водоочистки, насос пищевых добавок, насос клея, насос добавки, насос ферментов, насос сульфата, насос растворителя.
Насосы для гидроксида кальция Ca(OH)2 (известкового молока) кислоты, агрессивной среды, агрессивной жидкости, химического раствора,
химической жидкости известкового молока, насос серной кислоты, насос соляной кислоты, насос азотной кислоты, насос борной кислоты, насос уксусной кислоты, насос лимонной кислоты.
Насос кислотного раствора, насос кислотной жидкости, насос щелочного раствора, насос щелочной жидкости, насос агрессивного раствора.
Перекачка насосом соляной кислоты, серной кислоты.
Обеспечиваеться насосами типов:
- соленоидные дозирующие насосы.
- мембранные моторные дозирующие насосы.
- горизонтальные центробежные химические насосы.
- мембранные пневматические насосы.
Характеристики
| Производитель | ETATRON D.S. |
| Мощность, кВт | 0,55 |
| Материал | AISI 316L |
| Управление | Аналоговое (ручное) |
| Модель | AA |
| Давление, бар | 9 |
| Производительность, л/ч | 431 |
| Соединение | 1" Gm |
| Количество ходов плунжера /мин. | 103 |
| Длина хода плунжера, мм | 20 |
| Диаметр плунжера, мм | 67 |
| Материал насосной части | AISI 316L |
| Серия насоса | P |
| Страна происхождения | Италия |
| Тип насоса | плунжерный моторный |
| Тип привода | электрический |
| Наличие запасных частей | да |
| Аналог | AquaViva, ASeko, Descon trol S, Emec, FWT, Injecta, Seko |
| Логистические данные: |
Категории:Плунжерные насосыДозирующие насосыНасос для калий бихромат, едкого натраНасосы для подачи химреагентов дозирующиеПлунжерные насосы PПлунжерный дозирующий насос серии P-AA

























































































































































