Каталог товаров
- Главная
- Насосы промышленные
- Насосы по типуБочковые насосыВакуумные насосыВертикальные полупогружные насосыВинтовые насосыВихревые насосыГерметичные насосыДиспергатор - эмульгатор гомогенизаторДозирующие насосыИмпеллерные насосыКанализационные станцииКонсольные насосыКулачковые насосыМембранные диафрагменные пневматические насосыМембранные погружные пневматические насосыМногоступенчатые насосыМоноблочные насосы из чугунаМотопомпыМоторные мембранные насосыНасос Ex ATEXНасос с приводом от ВОМНасосы двустороннего входаНасосы конструкции «Инлайн»Насосы с мокрым роторомОсевые пропеллерные насосыПеристальтические шланговые насосыПластинчато-роторные насосыПлунжерные насосыПоверхностные дренажно-фекальные насосыПогружные дренажно-фекальные насосыПогружные шламовые насосыПоршневые насосыРоликовый насосСамовсасывающие насосыСанитарные, гигиенические насосыСкважинные насосыСоленоидный насос дозаторСтанции водоснабжения и пожаротушенияХимические насосы с магнитной муфтойЦентробежные насосыШестеренные насосыИндустриальные шланговые перистальтические насосы
- Санитарные, гигиенические насосы
- Насос фармацефтический AISI 316L GU 42/60-7.5, 15 м3/ч, 64 м, 7,5 кВт, 380V, 2900 об/мин
Насос фармацефтический AISI 316L GU 42/60-7.5, 15 м3/ч, 64 м, 7,5 кВт, 380V, 2900 об/мин
С этим товаром также покупают
Документация
Скачать инструкцию, каталог для Насос фармацефтический AISI 316L GU 42/60-7.5, 15 м3/ч, 64 м, 7,5 кВт, 380V, 2900 об/мин
Обзор

Насос GU 42/60-7.5 предназначен для транспортировки несгущенных и сгущенных жидкостей с содержанием сухой массы до 50% или других пищевых веществ с подобными свойствами при температуре до 95 oC.
В связи с высоким давлением, которое создает насос, он может применяться при перекачивании веществ через пластинчатые фильтры, трубопроводы и другие устройства с высоким противодавлением. Насос предназначен для линий, в которых очень важным элементом является безопасность пищевых продуктов.
Насос применяется в:
- транспортировке пищевых продуктов в жидком состоянии с вязкостью до 1000 сПз,
- молочной промышленности (свежее и пастеризованное молоко, сыворотка, смеси для мороженого и т.д.),
- переработка фруктов и овощей (осветленные и неосветленные соки, соки с мякотью, фруктовые напитки, овощные напитки, вина, наливки),
- виноделие (винодельческий затор, спиртные продукты)
- масло
- фармацевтическая промышленность (растворы для инъекций, подготовленная вода, суспензии)
- при перекачивании основных веществ в пищевой промышленности (вода, очищенная холодная и горячая вода)
- жидкости для мойки в системах CIP и другие вещества.
* после согласования набора материалов.
Все материалы контактирующие с продуктом изготовлены из нержавеющей стали AISI 316L (Ra ≤0,6 µm).
Характеристики
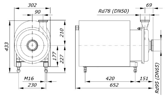
| Модель двигателя | 4SLg132S-2BМ |
| Материал кожуха насоса | АISI 304 |
| Производитель | Spomasz Zamość |
| Производительность, м.куб/час | 15 |
| Высота подачи, м.вод.ст | 64 |
| Мощность, кВт | 7,5 |
| Диаметр входного патрубка | 65 mm |
| Диаметр выходного патрубка | 50 mm |
| Частота вращения, об/мин | 2 900 |
| Электропитание | 3х380 V, 50 Hz |
| Производительность (max), м.куб/час | 18.5 |
| Уплотнение | Mechanical Seal, CAR/SIC/EPDM |
| Производительность (nom), м.куб/час | 15 |
| Высота подачи (nom), м.вод.ст | 64 |
| Диаметр рабочего колеса, мм | 210 |
| Материал корпуса | AISI 316L |
| Материал проточной части | AISI 316L |
| Серия насоса | GU |
| Страна происхождения | Польша |
| Тип насоса | консольный |
| Тип привода | электрический |
| Тип установки | горизонтальный |
| Тип комплектации | с двигателем |
| Гарантия, месяцев | 12 |
| Логистические данные: | |
| Вес, кг | 119 |



























































































































































