Каталог товаров
- Главная
- Насосы промышленные
- Насосы по типуБочковые насосыВакуумные насосыВертикальные полупогружные насосыВинтовые насосыВихревые насосыГерметичные насосыДиспергатор - эмульгатор гомогенизаторДозирующие насосыИмпеллерные насосыКанализационные станцииКонсольные насосыКулачковые насосыМембранные диафрагменные пневматические насосыМембранные погружные пневматические насосыМногоступенчатые насосыМоноблочные насосы из чугунаМотопомпыМоторные мембранные насосыНасос Ex ATEXНасос с приводом от ВОМНасосы двустороннего входаНасосы конструкции «Инлайн»Насосы с мокрым роторомОсевые пропеллерные насосыПеристальтические шланговые насосыПластинчато-роторные насосыПлунжерные насосыПоверхностные дренажно-фекальные насосыПогружные дренажно-фекальные насосыПогружные шламовые насосыПоршневые насосыРоликовый насосСамовсасывающие насосыСанитарные, гигиенические насосыСкважинные насосыСоленоидный насос дозаторСтанции водоснабжения и пожаротушенияХимические насосы с магнитной муфтойЦентробежные насосыШестеренные насосыИндустриальные шланговые перистальтические насосы
- Погружные дренажно-фекальные насосы
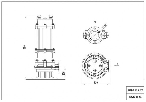
- Погружной канализационный насос для навоза 80WQ40-28-7,5/2
Погружной канализационный насос для навоза 80WQ40-28-7,5/2
С этим товаром также покупают
Документация
Скачать инструкцию, каталог для Погружной канализационный насос для навоза 80WQ40-28-7,5/2
Обзор

Насос фекальный WQ предназначен для перекачки чистой и загрязненной воды, сточных вод, в которых могут содержаться большие частицы, волокнистые включения и фекалии. Канализационные насосы WQ могут быть установлены стационарно или использоваться для мобильной эксплуатации. Фекальные насосы WQ - это погружные одноступенчатые насосы напорным патрубком.Электродвигатель у канализационных насосов WQ погружной, водонепроницаемый.
Применение: канализационный насос, дренажный, насос для отвода стоков, насос септика, насос погружной, насос для очистных сооружений, насос для канализации, канализационный насос, насос КНС.
Характеристики
| Производитель | BTS Engineering |
| Производительность, м.куб/час | 40 |
| Высота подачи, м.вод.ст | 28 |
| Мощность, кВт | 7,5 |
| Материал | чугун |
| Диаметр выходного патрубка | DN80 |
| Частота вращения, об/мин | 2 900 |
| Степень защиты | IP68 |
| Электропитание | 3х380 V, 50 Hz |
| Взрывозащита | нет |
| Температура (max), С | 40 |
| Производительность (nom), м.куб/час | 40 |
| Высота подачи (nom), м.вод.ст | 28 |
| Максимальный диаметр твердых включений, мм | 75 |
| Серия насоса | WQ |
| Страна происхождения | Китай |
| Тип насоса | погружной дренажно-фекальный |
| Тип привода | электрический |
| Тип комплектации | с двигателем |
| Гарантия, месяцев | 12 |
| Применение | канализации, КНС, отведения стоков, очистных сооружений, септика |
| Логистические данные: |
Категории:Погружные дренажно-фекальные насосыНасосы для сточных и фекальных водНасосы для КНСДренажные погружные насосы WQ





































































































































































