Каталог товаров
- Главная
- Насосы промышленные
- Насосы по типуБочковые насосыВакуумные насосыВертикальные полупогружные насосыВинтовые насосыВихревые насосыГерметичные насосыДиспергатор - эмульгатор гомогенизаторДозирующие насосыИмпеллерные насосыКанализационные станцииКонсольные насосыКулачковые насосыМембранные диафрагменные пневматические насосыМембранные погружные пневматические насосыМногоступенчатые насосыМоноблочные насосы из чугунаМотопомпыМоторные мембранные насосыНасос Ex ATEXНасос с приводом от ВОМНасосы двустороннего входаНасосы конструкции «Инлайн»Насосы с мокрым роторомОсевые пропеллерные насосыПеристальтические шланговые насосыПластинчато-роторные насосыПлунжерные насосыПоверхностные дренажно-фекальные насосыПогружные дренажно-фекальные насосыПогружные шламовые насосыПоршневые насосыРоликовый насосСамовсасывающие насосыСанитарные, гигиенические насосыСкважинные насосыСоленоидный насос дозаторСтанции водоснабжения и пожаротушенияХимические насосы с магнитной муфтойЦентробежные насосыШестеренные насосыИндустриальные шланговые перистальтические насосы
- Погружные дренажно-фекальные насосы
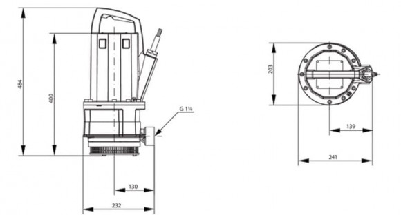
- Погружной насос Wilo Drain TMT 32M113/7,5Ci
Погружной насос Wilo Drain TMT 32M113/7,5Ci
С этим товаром также покупают
Обзор

Погружной насос Wilo Drain TMT для грязной воды, для вертикальной погружной установки, для перекачивания сред с максимальной температурой до 95 °C. Агрегат изготовлен полностью из серого чугуна. Гидравлика с напорным патрубком в виде горизонтального резьбового фланцевого соединения. Двигатель с поверхностным охлаждением в исполнении для трехфазного тока с уплотнительной камерой, термическим контролем двигателя и контролем герметичности моторного отсека. Разъемный термостойкий соединительный кабель с водонепроницаемым вводом и свободным концом. Со стороны среды и двигателя установлено по одному скользящему торцевому уплотнению, не зависящему от направления вращения.
Характеристики
| Производитель | Wilo |
| Мощность, кВт | 0,75 |
| Диаметр выходного патрубка | G 1 1/4" |
| Частота вращения, об/мин | 2 900 |
| Степень защиты | IP68 |
| Электропитание | 3х380 V, 50 Hz |
| Высота подачи (max), м.вод.ст | 16 |
| Производительность (max), м.куб/час | 22 |
| Температура (max), С | 95 |
| Габариты, мм | 203х241х484 |
| Производительность (nom), м.куб/час | 12 |
| Высота подачи (nom), м.вод.ст | 11 |
| Максимальная глубина погружения под зеркало воды, м | 7 |
| Длинна кабеля, м | 10 |
| Материал корпуса | чугун |
| Материал рабочего колеса | чугун |
| Материал вала | нержавіюча сталь |
| Страна происхождения | Германия |
| Тип насоса | погружной дренажно-фекальный |
| Тип привода | электрический |
| Тип установки | вертикальный |
| Тип комплектации | с двигателем |
| Логистические данные: | |
| Вес, кг | 39 |




























































































































































