Каталог товаров
- Главная
- Насосы промышленные
- Насосы по типуБочковые насосыВакуумные насосыВертикальные полупогружные насосыВинтовые насосыВихревые насосыГерметичные насосыДиспергатор - эмульгатор гомогенизаторДозирующие насосыИмпеллерные насосыКанализационные станцииКонсольные насосыКулачковые насосыМембранные диафрагменные пневматические насосыМембранные погружные пневматические насосыМногоступенчатые насосыМоноблочные насосы из чугунаМотопомпыМоторные мембранные насосыНасос Ex ATEXНасос с приводом от ВОМНасосы двустороннего входаНасосы конструкции «Инлайн»Насосы с мокрым роторомОсевые пропеллерные насосыПеристальтические шланговые насосыПластинчато-роторные насосыПлунжерные насосыПоверхностные дренажно-фекальные насосыПогружные дренажно-фекальные насосыПогружные шламовые насосыПоршневые насосыРоликовый насосСамовсасывающие насосыСанитарные, гигиенические насосыСкважинные насосыСоленоидный насос дозаторСтанции водоснабжения и пожаротушенияХимические насосы с магнитной муфтойЦентробежные насосыШестеренные насосыИндустриальные шланговые перистальтические насосы
- Вакуумные насосы
- Водокольцевые вакуумные насосы
- PW.4.23.1.1010 вакуумный двухступенчатый насос
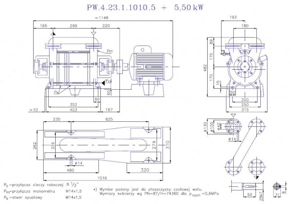
PW.4.23.1.1010 вакуумный двухступенчатый насос
С этим товаром также покупают
Обзор

Водокольцевые вакуумные насосы серии PW1-21 – PW5-24 являются двуступенчатыми вакуумными насосами, главной особенностью которых является в отличие от одноступенчатых насосов, достижение более глубокого вакуума (33-40 мбар абс.). Максимальная производительность и эффективность в диапазоне от 100 - 200 мбар.абс. Эти насосы имеют встроенный антикавитационный клапан между ступенями. Они надежны, просты в обслуживании, с их помощью можно откачивать практически любую газовую среду или пар. Вакуумные насосы предназначены для всасывания и перекачки сухого газа с температурой до 150°С и насыщенные парами газы, отличающиеся тем, что их температура не превышает 100°С, с возможностью применения рабочих жидкостей с вязкостью до 60 мм2/сек и плотностью 800 - 1200 кг/м3, температура воды на выходе из насоса не должна превышать 80°С. Hydro-Vacuum производит одноступенчатые и двухступенчатые вакуумные водокольцевые насосы, серии PW. В насосах серии PW- насос и двигатель крепятся на общей опоре. Крутящий момент от двигателя передается к импеллеру через вал, установленный в подшипниках опоры и эластичную соединительную муфту. Такая конструкция делает вакуумный насос заметно длиннее и тяжелее, но зато заметно облегчает его обслуживание, когда требуется разборка насоса или замена двигателя. Кроме того, насос установлен на 2 опорах (рабочее колесо между подшипниками) что дает гораздо более длительный срок службы насосов нежели моноблока (установлен на валу двигателя или посадкой рабочего колеса)
Стандартное материальное исполнение насосов: корпус насоса, звена - чугун 250; ротор - оловянистая бронза В101; вал - сталь 2Н13 (AISI 420).
При потребности и пожеланию заказчика, материальное исполнение может быть другое. Корпуса – хромистый чугун, оловянистая бронза, углеродистая литая сталь, аустенитная литая сталь; Ротор – сфероидальный чугун, аустенитная литая сталь, углеродистая литая сталь, специальная аустенитная литая сталь. Вал – кислотоустойчивая сталь. Каждый насос может иметь комплектность с разными по мощности двигателями (кВт), при потребности заказчика подбор делаем в индивидуальном порядке.
Характеристики
| Производитель | Hydro-Vacuum |
| Производительность, м.куб/час | 180 |
| Мощность, кВт | 5,5 |
| Материал | чугун |
| Частота вращения, об/мин | 1 500 |
| Электропитание | 3х380 V, 50 Hz |
| Взрывозащита | нет |
| Производительность (max), м.куб/час | 180 |
| Уплотнение | набивка типа 608 |
| Глубина вакуума, мБар | 33 |
| Материал корпуса | чугун |
| Материал рабочего колеса | бронза |
| Материал вала | AISI 420 |
| Серия насоса | PW |
| Страна происхождения | Польша |
| Тип насоса | вакуумный |
| Тип привода | электрический |
| Тип установки | горизонтальный |
| Тип комплектации | с двигателем |
| Применение | автоклав, выпарки, выпарных аппаратов |
| Аналог | Becker, Busch, DVP, Elmo rietschle, EVP, Italvacuum, Nitto, Pompetravaini TRM, Robuschi, Sterling, Вакууммаш, ВВН |
| Логистические данные: |
Категории:Водокольцевые вакуумные насосыНасос экстрактаНасосы для сушки древесины под вакуумомНасосы для выпарных аппаратовВодокольцевые двухступенчатые вакуумные насосы PW2 Hydro-Vacuum































































































































































