Каталог товаров
- Главная
- Насосы промышленные
- Насосы по типуБочковые насосыВакуумные насосыВертикальные полупогружные насосыВинтовые насосыВихревые насосыГерметичные насосыДиспергатор - эмульгатор гомогенизаторДозирующие насосыИмпеллерные насосыКанализационные станцииКонсольные насосыКулачковые насосыМембранные диафрагменные пневматические насосыМембранные погружные пневматические насосыМногоступенчатые насосыМоноблочные насосы из чугунаМотопомпыМоторные мембранные насосыНасос Ex ATEXНасос с приводом от ВОМНасосы двустороннего входаНасосы конструкции «Инлайн»Насосы с мокрым роторомОсевые пропеллерные насосыПеристальтические шланговые насосыПластинчато-роторные насосыПлунжерные насосыПоверхностные дренажно-фекальные насосыПогружные дренажно-фекальные насосыПогружные шламовые насосыПоршневые насосыРоликовый насосСамовсасывающие насосыСанитарные, гигиенические насосыСкважинные насосыСоленоидный насос дозаторСтанции водоснабжения и пожаротушенияХимические насосы с магнитной муфтойЦентробежные насосыШестеренные насосыИндустриальные шланговые перистальтические насосы
- Вакуумные насосы
- Водокольцевые вакуумные насосы
- Вакуумный моноблочный насос GMVP 200/085
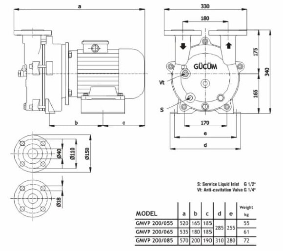
Вакуумный моноблочный насос GMVP 200/085
С этим товаром также покупают
Документация
Скачать инструкцию, каталог для Вакуумный моноблочный насос GMVP 200/085
Обзор

Насосы GMVP предназначены для перекачки сухих и влажных газов, могут обрабатывать небольшое количество жидкости. Они используются в таких областях, где требуется вакуум от 1013 до 33 мбар.
При работе насоса сервисная жидкость должна подаваться для пополнения кольца из жидкости и охлаждения насоса (обычно используется вода). Откачанная жидкость может использоваться заново после
отделение газа.
Направление вращения по часовой стрелке, если смотреть со стороны электромотора на насос.
Одноступенчатые водокольцевые вакуумные насосы GMVP имеют следующие особенности:
- способны откачивать любые газы и пары;
- способны обрабатывать небольшое количество жидкости вместе с газами;
- не используют масло и не требуют смазки;
- откачиваемые газы не контактируют с маслами;
- требуют минимального ухода за высокой эффективностью;
- металлические вращающиеся части не контактируют друг с другом;
- вал не контактирует с перекачиваемой средой;
- работают с низким уровнем шума и вибрации;
- почти везде находится подходящий вариант выбора материалов.
Характеристики
| Производитель | GÜCÜM |
| Производительность, м.куб/час | 95 |
| Мощность, кВт | 4 |
| Диаметр входного патрубка | DN40 |
| Диаметр выходного патрубка | DN40 |
| Частота вращения, об/мин | 1 450 |
| Степень защиты | IP55 |
| Уровень шума, дБ | 73 |
| Электропитание | 3х380 V, 50 Hz |
| Взрывозащита | нет |
| Производительность (max), м.куб/час | 95 |
| Глубина вакуума, мБар | 33 |
| Расход воды, л/мин | 16 |
| Материал корпуса | чугун |
| Материал рабочего колеса | бронза |
| Серия насоса | GMVP |
| Страна происхождения | Турция |
| Тип насоса | вакуумный |
| Тип привода | электрический |
| Тип установки | горизонтальный |
| Логистические данные: | |
| Вес, кг | 72 |
Категории:Водокольцевые вакуумные насосыМоноблочные водокольцевые вакуумные насосы GMVP





























































































































































