Каталог товаров
- Главная
- Насосы промышленные
- Насосы по типуБочковые насосыВакуумные насосыВертикальные полупогружные насосыВинтовые насосыВихревые насосыГерметичные насосыДиспергатор - эмульгатор гомогенизаторДозирующие насосыИмпеллерные насосыКанализационные станцииКонсольные насосыКулачковые насосыМембранные диафрагменные пневматические насосыМембранные погружные пневматические насосыМногоступенчатые насосыМоноблочные насосы из чугунаМотопомпыМоторные мембранные насосыНасос Ex ATEXНасос с приводом от ВОМНасосы двустороннего входаНасосы конструкции «Инлайн»Насосы с мокрым роторомОсевые пропеллерные насосыПеристальтические шланговые насосыПластинчато-роторные насосыПлунжерные насосыПоверхностные дренажно-фекальные насосыПогружные дренажно-фекальные насосыПогружные шламовые насосыПоршневые насосыРоликовый насосСамовсасывающие насосыСанитарные, гигиенические насосыСкважинные насосыСоленоидный насос дозаторСтанции водоснабжения и пожаротушенияХимические насосы с магнитной муфтойЦентробежные насосыШестеренные насосыИндустриальные шланговые перистальтические насосы
- Вакуумные насосы
- Водокольцевые вакуумные насосы
- Водокольцевой вакуум-насос ESV 115/50, 51 м3/ч, 1,5 кВт, 3000 об/мин
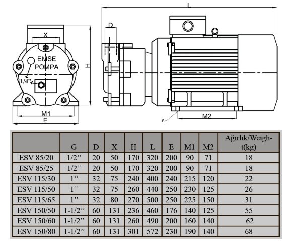
Водокольцевой вакуум-насос ESV 115/50, 51 м3/ч, 1,5 кВт, 3000 об/мин
С этим товаром также покупают
Документация
Скачать инструкцию, каталог для Водокольцевой вакуум-насос ESV 115/50, 51 м3/ч, 1,5 кВт, 3000 об/мин
Обзор

Водокольцевые вакуумные насосы отличаются высокой надежностью, долговечностью и экономичностью, поэтому они с успехом применяются в широком спектре промышленных секторов и отраслей. Ключевыми сферами являются химическая промышленность: сушка органических растворителей, синтетических волокон, аминопластов и полипропиленовых материалов; растворение и сорбция токсичных газов и опасных жидких сред; вакуумная пропитка при производстве конденсаторов, электродвигателей, кабелей и трансформаторов. Деревообрабатывающая и целлюлозно-бумажная промышленность: производственные циклы сушки, переработки и обработки древесины, вакуумной фильтрации и производства целлюлозы, производства бумажных и картонных материалов и т.д. Металлургическая промышленность: применение вакуумных насосов в производственных циклах, связанных с порошковой металлургией, производством сверхпроводников, сверхчистых соединений, лазерных кристаллов и т.д.; машиностроительная промышленность; пищевая промышленность: производство солода для пивоварения, сублимационная сушка продуктов питания, рафинирование алкогольных напитков, опреснение воды, выпаривание воды в производстве сахара. Оптическая промышленность: например, вакуумирование зеркальных поверхностей, обеспечение прозрачности оптического оборудования; фармацевтическая промышленность: например, очистка фармацевтического сырья, производство и хранение лекарств; строительная промышленность: например, дегазация керамического и глиняного сырья; парфюмерно-косметическая промышленность. Избыточное давление на входе может достигать 33 мбар (97% вакуума). Если вакуумный насос работает при постоянном давлении газа ниже 80 мбар, необходимо подключить антикавитационную трубу. Если насос оснащен воздушным эжектором, давление на входе может достигать 10 мбар. Эжектор может быть установлен непосредственно на насосе. Работая, как компрессор, насосы ESV могут достигать 0,26 мПа (абсолютного давления).
Характеристики
| Производитель | EMSE |
| Производительность, м.куб/час | 51 |
| Мощность, кВт | 1,5 |
| Материал | чугун |
| Диаметр входного патрубка | G 1" |
| Диаметр выходного патрубка | G 1" |
| Частота вращения, об/мин | 3 000 |
| Взрывозащита | нет |
| Производительность (max), м.куб/час | 51 |
| Уплотнение | Mechanical Seal |
| Габариты, мм | 440x260x250 |
| Глубина вакуума, мБар | 33 |
| Расход воды, л/мин | 7 |
| Материал корпуса | чугун GG 25 |
| Материал рабочего колеса | AISI 420 |
| Материал вала | AISI 420 |
| Серия насоса | ESV |
| Страна происхождения | Турция |
| Тип насоса | вакуумный |
| Тип привода | электрический |
| Тип комплектации | с двигателем |
| Применение | автоклав, выпарки, выпарных аппаратов |
| Аналог | Becker, Busch, DVP, Elmo rietschle, EVP, Italvacuum, Nitto, Pompetravaini TRM, Robuschi, Sterling, Вакууммаш, ВВН |
| Логистические данные: | |
| Вес, кг | 26 |
Категории:Водокольцевые вакуумные насосыНасос экстрактаНасосы для сушки древесины под вакуумомНасосы для выпарных аппаратов





















































































































































































