Каталог товаров
- Главная
- Насосы промышленные
- Насосы по типуБочковые насосыВакуумные насосыВертикальные полупогружные насосыВинтовые насосыВихревые насосыГерметичные насосыДиспергатор - эмульгатор гомогенизаторДозирующие насосыИмпеллерные насосыКанализационные станцииКонсольные насосыКулачковые насосыМембранные диафрагменные пневматические насосыМембранные погружные пневматические насосыМногоступенчатые насосыМоноблочные насосы из чугунаМотопомпыМоторные мембранные насосыНасос Ex ATEXНасос с приводом от ВОМНасосы двустороннего входаНасосы конструкции «Инлайн»Насосы с мокрым роторомОсевые пропеллерные насосыПеристальтические шланговые насосыПластинчато-роторные насосыПлунжерные насосыПоверхностные дренажно-фекальные насосыПогружные дренажно-фекальные насосыПогружные шламовые насосыПоршневые насосыРоликовый насосСамовсасывающие насосыСанитарные, гигиенические насосыСкважинные насосыСоленоидный насос дозаторСтанции водоснабжения и пожаротушенияХимические насосы с магнитной муфтойЦентробежные насосыШестеренные насосыИндустриальные шланговые перистальтические насосы
- Вакуумные насосы
- Пластинчато-роторные вакуумные насосы
- Вакуумный насос Zinisan ZYVP-016/0,37 масляный одноступенчатый
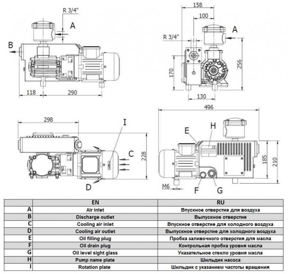
Вакуумный насос Zinisan ZYVP-016/0,37 масляный одноступенчатый
С этим товаром также покупают
Документация
Скачать инструкцию, каталог для Вакуумный насос Zinisan ZYVP-016/0,37 масляный одноступенчатый
Обзор

Одноступенчатый масляный вакуумный насос турецкого производителя Zinisan серии ZYVP используется для получения глубокого вакуума величиной до 2 мбар.
Вакуумные насосы широко используется в пищевой промышленности для вакуумной упаковки пищевых продуктов, вакуумной компрессионной упаковки всех видов текстильных изделий, используется в процессах дистилляции, фильтрации и механической обработки. В химической промышленности - вакуумная загрузка и разгрузка при транспортировке, для вакуумного оборудования в больницах и стоматологических кабинетах, а также формования, пропитки, хранения, сушки древесины, для испарительных установок и в других направлениях.
Роторно-пластинчатые маслозаполненные насосы имеют простую и надежную конструкцию: высококачественные вал и непосредственный привод гарантируют надежность и долгий срок службы насоса при малых затратах на обслуживание и эксплуатацию.
Характеристики
| Производитель | ZINISAN |
| Производительность, м.куб/час | 16 |
| Мощность, кВт | 0,37 |
| Диаметр входного патрубка | G 3/4" |
| Частота вращения, об/мин | 1 500 |
| Уровень шума, дБ | 55 |
| Электропитание | 3х380 V, 50 Hz |
| Взрывозащита | нет |
| Габариты, мм | 230x495х310 |
| Производительность (nom), м.куб/час | 16 |
| Глубина вакуума, мБар | 2 |
| Серия насоса | ZYVP |
| Страна происхождения | Турция |
| Тип насоса | вакуумный |
| Тип привода | электрический |
| Тип комплектации | с двигателем |
| Применение | автоклав, выпарки, выпарных аппаратов |
| Логистические данные: | |
| Вес, кг | 35 |















































































































































































