Каталог товаров
- Главная
- Насосы промышленные
- Насосы по типуБочковые насосыВакуумные насосыВертикальные полупогружные насосыВинтовые насосыВихревые насосыГерметичные насосыДиспергатор - эмульгатор гомогенизаторДозирующие насосыИмпеллерные насосыКанализационные станцииКонсольные насосыКулачковые насосыМембранные диафрагменные пневматические насосыМембранные погружные пневматические насосыМногоступенчатые насосыМоноблочные насосы из чугунаМотопомпыМоторные мембранные насосыНасос Ex ATEXНасос с приводом от ВОМНасосы двустороннего входаНасосы конструкции «Инлайн»Насосы с мокрым роторомОсевые пропеллерные насосыПеристальтические шланговые насосыПластинчато-роторные насосыПлунжерные насосыПоверхностные дренажно-фекальные насосыПогружные дренажно-фекальные насосыПогружные шламовые насосыПоршневые насосыРоликовый насосСамовсасывающие насосыСанитарные, гигиенические насосыСкважинные насосыСоленоидный насос дозаторСтанции водоснабжения и пожаротушенияХимические насосы с магнитной муфтойЦентробежные насосыШестеренные насосыИндустриальные шланговые перистальтические насосы
- Вакуумные насосы
- Пластинчато-роторные вакуумные насосы
- 28 PBO-M вакуумный насос с масляной смазкой
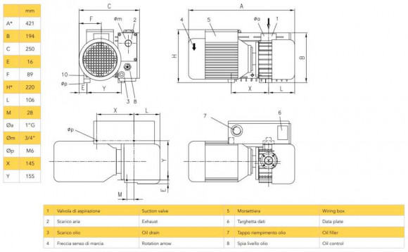
28 PBO-M вакуумный насос с масляной смазкой
С этим товаром также покупают
Обзор

Пластинчато-роторный маслозаполненный вакуумный насос серии PBO может использоватся в различных областях промышленности где необходимо получить высокий вакуум при большой производительности и малых затратах электроэнергии.
Корпус насоса изготовлен из высококачественного чугуна, масляный и воздушный сепаратор из алюминия. Двигатель соединен с рабочим органом при помощи гибкой муфты.
Частота оборотов двигателя составляет 1450 об/мин, что положительно сказывается на надежности как подшипников двигателя, так и агрегата в целом.
Характеристики
| Производитель | BIGIESSE |
| Производительность, м.куб/час | 28 |
| Мощность, кВт | 0,75 |
| Диаметр входного патрубка | G 1" |
| Диаметр выходного патрубка | G 3/4" |
| Частота вращения, об/мин | 1 450 |
| Электропитание | 3х380 V, 50 Hz |
| Взрывозащита | нет |
| Производительность (nom), м.куб/час | 28 |
| Глубина вакуума, мБар | 0,5 |
| Материал проточной части | чугун |
| Страна происхождения | Италия |
| Тип насоса | вакуумный |
| Тип привода | электрический |
| Тип комплектации | с двигателем |
| Логистические данные: | |
| Вес, кг | 25 |



























































































































































