Каталог товаров
- Главная
- Миксеры и мешалки
- Низкооборотные мешалки
- Мешалка для кислот и щелочей AQUA AG1-PVC60/S, 220V, 70 RPM, ADAG1P06S
Мешалка для кислот и щелочей AQUA AG1-PVC60/S, 220V, 70 RPM, ADAG1P06S
Документация
Скачать инструкцию, каталог для Мешалка для кислот и щелочей AQUA AG1-PVC60/S, 220V, 70 RPM, ADAG1P06S
Обзор

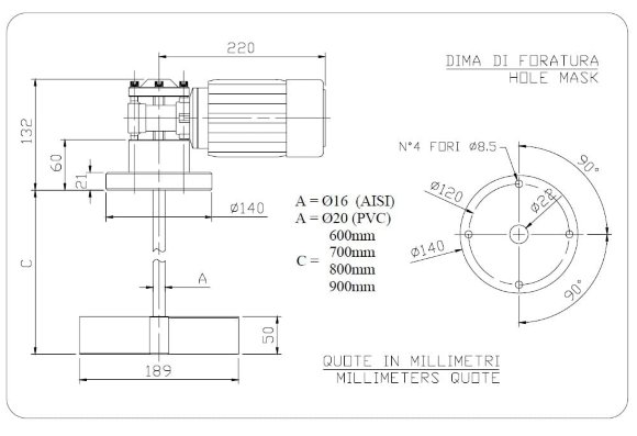
Электрический миксер производства итальянской компании AQUA используется для перемешивания химических реагентов (растворов кислот и щелочей) в резервуарах. Предназначены для установки на рабочую емкость с целью подготовки и поддержки химических реагентов в состоянии, пригодном для перекачки насосами. Крепятся сверху емкости. Эта модель предназначена для перемешивания на низких оборотах. Выполнение электродвигателя однофазное. Подходит для всех типов насосов-дозаторов. Для этого миксера подойдет емкость Aqua A-TANK-1 объемом 100 л.
Характеристики
| Производитель | AQUA |
| Мощность, кВт | 0,089 |
| Материал | PVC |
| Частота вращения, об/мин | 70 |
| Электропитание | 1х220 V, 50 Hz |
| Длина, мм | 600 |
| Серия миксера | AG-S |
| Диаметр импеллера, мм | 189 |
| Страна происхождения | Италия |
| Применение | взвесей, взмучивания, известкового молока, растворения, растворов, реагентов и эмульсий с целью гомогенизирования, смешения, соли, суспендирования, суспензий |
| Аналог | FLUIMAC, AGF, Emec, FWT, Grundfos, Inoxpa, Jesco Pump, Lightnin, ProMinent, SULZER, Tapflo |
| Логистические данные: | |
| Вес брутто, кг | 6 |
| Транспортная упаковка: длина, см | 22 |
| Транспортная упаковка: ширина, см | 88,5 |
| Транспортная упаковка: высота, см | 22 |













































































































































