Каталог товаров
- Главная
- Запорная арматура
- Регулирующие клапаны
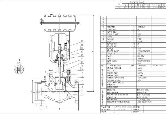
- DN50 Шламовой клапан для продувки котла с пневматическим приводом 10T11Y-DNx5016Z-L112C-C (корпус WCB, седло SS304) с позиционером YT-1000, вход 4-20м
DN50 Шламовой клапан для продувки котла с пневматическим приводом 10T11Y-DNx5016Z-L112C-C (корпус WCB, седло SS304) с позиционером YT-1000, вход 4-20м
Документация
Скачать инструкцию, каталог для DN50 Шламовой клапан для продувки котла с пневматическим приводом 10T11Y-DNx5016Z-L112C-C (корпус WCB, седло SS304) с позиционером YT-1000, вход 4-20м
Обзор

Шламовый клапан с пневмоприводом и актуатором, управление 4-20 мА запорный, односедельный, двухходовой прямоходный клапан. Широкий диапазон применения позволяет использовать этот клапан с наиболее распространенными технологическими жидкостями, такие как вода, перегретая вода, пар, воздух, газы и другие неагрессивные жидкости.
Характеристики
| Условный проход, DN | 50 |
| Управляющий сигнал, мА | 4-20 |
| Способ действия | нормально закрытый |
| Производитель | BTS Engineering |
| Взрывозащита | нет |
| Рабочая температура | –17°C +230°C |
| Номинальное давление, МПа | 1,6 |
| Тип соединения | фланцевое |
| Материал корпуса | WCB литая углеродистая сталь |
| Страна происхождения | Китай |
| Рабочая среда | пар, конденсат паровой |
| Логистические данные: |











































































































































