Каталог товаров
- Главная
- Торцевые уплотненияТорцевые уплотнения по типуТорцевое уплотнение для насосаМеханические уплотнения по брендахУплотнения механическое для мешалок, бункеров и конвейеров выдерживают биения валаРемонт торцевых уплотнений, пар тренияИзготовление манжет, колец, сальниковИзготовление деталей из карбида кремния, силиката цирконияИзолятор защита подшипника Bearing defender isolator
- Торцевые уплотнения по типуR-101R-102R-102UR-103/R-103AR-104/R-104АR-108R-108UR-109/R-8UR-109B/R-8BR-10T/R-10RR-110R-112R-113R-120/R-120PR-120WR-124R-125R-128/R-128PR-152 (T/R)R-1527R-156R-1577R-16R-202/R-208R-21R-2100R-21UKR-260TSR-31K/R-31UR-4701R-4702R-502BR-560AR-560CR-58B/59BR-58U/59UR-58VR-6R-609/R-650R-680R-6AR-6BR-6BGR-6CR-6CF-16R-6CH-16R-6CK-16R-6SB/R-SBR-706AR-706BR-706CR-706DR-706ER-706FR-706H(CR)R-706KR-706LR-706SER-706SO/706SSOR-706SPR-706SSR-7K/R-7K-UR-802R-877/R-877-UR-960R-AL.FMR-AL.LKHdR-AL.LKHfR-AL.LKHsR-AL.SRR-APV-01R-B151R-BEDR-BIAR-BL-28/R-BU-28R-BT-ARR-BT-FNR-BT-FN.NUR-BT-RNR-BT-RN3/R-BT-RN3.NUR-CARTEX(DN)R-CARTEX(SN)R-ConvertorR-CSMR-CURCR-D-15R-DJR-E5K-UR-EL-22/R-EU-22R-FL-22/R-FU-22R-FL.58URR-FL.AL-20/R-FL.AU-20R-FL.NLR-FL.NUR-FL.OLR-FL.OUR-FL.XAR-FL.XER-FL.СR-FRR-GEAR-GL-20/R-GU-20R-GTZR-H12NR-H75R-H7NR-HG202R-HG204/R-HG204BR-HG212R-HJ92N/R-HJ97/R-GNZR-HL-20/R-GU-20R-HLGR-HLG1R-HRNR-Il-28/R-IU-28R-ISC2-PXR-J580R-JB103R-JB104R-JL-25/R-JU-25R-KL-35/R-KU-35R-LL-35/R-KU-35R-LPSR-LWR-LWRR-M010DR-M07R-M2NR-M3.ALWR-M3NR-M481KL-DR-M74DR-M7N/M74NR-MFL WT80R-MFL85NR-MFLC12R-MG1R-MG12R-MG13R-MG1S20R-MG1S6R-MG9R-ML-35/R-MU-35R-MR35L-DR-MSR-RBR-SE1F-APR-T1/R-FBCR-T2/R-FBDR-TSWER-W01R-W011R-WB2R-WB3R-XBR-ZF
- R-ZF
- Уплотнение картриджное R-ZF 60, SIC/SIC, VITON, 304
Уплотнение картриджное R-ZF 60, SIC/SIC, VITON, 304
Документация
Скачать инструкцию, каталог для Уплотнение картриджное R-ZF 60, SIC/SIC, VITON, 304
Обзор

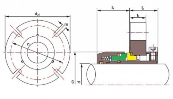
Уплотнение картриджное R-ZF – серия одинарных уплотнений, не требующих внешнего охлаждения. Уплотнение не имеет движущихся частей на валу, поэтому может устанавливаться непосредственно на вал, без дополнительной втулки. Пружины надежно изолированы от продукта, что препятствует их засорению. R-ZF – надежное, экономичное и долговечное уплотнение, разработанное для бумажной промышленности.
Применение: без дополнительной модификации насоса подходит для Ahlstrom / APP / Sulzer / ABS Scan
35 мм –Sulzer 1, 38 мм – ABS Scan 1, 40 мм– Sulzer 2, 45 мм – Sulzer 2, 48 мм- ABS Scan 2, 50 мм - Sulzer 3, 50 мм – KEST H, 55 мм - Sulzer 3, 60 мм - Sulzer 4, 60 мм - KEST L, 65 мм - Sulzer 4, 65 мм - ABS Scan 3, 70 мм - KEST P, 75 мм - ABS Scan 4, 80 мм - Sulzer 5, 85 мм - Sulzer 5, 85 мм - KEST R, 90 мм - Sulzer 6, 95 мм - Sulzer 6, 100 мм - ABS Scan 5.
Тип: Chesterton ZF (Zero Flush seal)
Давление: ≤2 MPa
Скорость: ≤25 м/с
Температура: ≤+260ºC
Вращающееся кольцо: SiC / Carbon / TC
Неподвижное кольцо: SiC / TC
Вторичные уплотнения: VITON / Encapsulated Ring / PTFE
Характеристики
| Производитель | BTS Engineering |
| Диаметр вала | 60 |
| Материал резины | VITON |
| Пары трения | SIC/SIC |
| Материал металлических частей | 304 |
| Давление | 2 МПа |
| Рабочая температура | +260°C |
| Тип уплотнения | R-ZF |
| Скорость | 25 м/сек |
| Применение | ABS Scan, Ahlstrom, APP, KEST, Sulzer |
| Аналог | Chesterton ZF |
| Логистические данные: |













































































































































