Каталог товарів
- Головна
- Інжинірингові послуги та обладнанняВакуум-випарні апаратиДекантерні центрифуги, сепараториДробарки для подрібнення злакових культур в процесі приговування кормів, борошна, виготовлення етанолуКонтрольно-вимірювальні прилади, датчики, витратоміри для автоматизації виробництваПроектування, будівництво спиртзаводу, БРУСпіральний, кожухотрубний теплообмінникСушарки промисловіТвердопаливні котлиФерменти, дріжджі спиртові, антисептики для виробництва спиртуЕнергетичний аудитПарові промислові котли
- Вакуум-випарні апарати
- 3,15T випарка ВВУ 4-ступенева для барди, соків, вологи
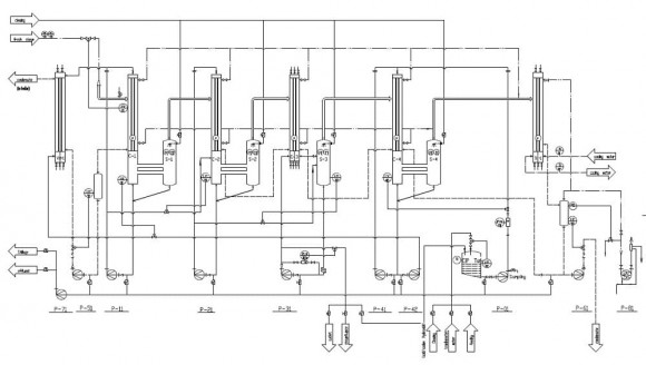
3,15T випарка ВВУ 4-ступенева для барди, соків, вологи
Документація
Скачати інструкцію, каталог для 3,15T випарка ВВУ 4-ступенева для барди, соків, вологи
Огляд

Ціна НЕТТО, не включає транспорт та доставку та не включає автоматизацію.
Вакуум випарна установка призначена для упарювання (концентрування) продукту перед подачею на cушильний агрегат. Принцип роботи полягає в поетапному видаленні вологи з початкового продукту з метою збільшення концентрації (збільшенні вмісту) сухих речовин. Для здійснення даної технологічної операції необхідна велика кількість тепла (гострої пари). З метою оптимізації витрат тепла на упарювання застосовують установки з використанням рекупераційних циклів, які працюють під різними тисками (надлишковим і розрідженням) і різними температурами. Зазвичай це установка, яка складається з 3-х, 4-х, 5-ти і більше корпусів. Процес здійснюється шляхом послідовної подачі початкового продукту з корпусу в корпус в установці і поступового видаленні вологи за допомогою технологічного тепла (гострого пара або вторинної пари). Також установки включають в себе теплообмінники, насоси подачі і рециркуляції, CIP-промивання, вакуум установку.
Характеристики
| Виробник | BTS Engineering |
| Потужність, кВт | 46,1 |
| Продуктивність, дал/добу | 1 500 |
| Температура (max), С | 32-40 |
| Кількість корпусів, шт | 4 |
| Початковий вміст сухих речовин,% | 3,5 |
| Кінцевій вміст сухих речовин,% | 35 |
| Габарити, мм | 10500х4500х13700 |
| Кількість випарованої вологи, кг/год | 3 150 |
| Витрата гострої пари (6 бар), кг/год | 900 |
| Потік води, л/год | 80 000 |
| Застосування | дріжджової суспензії, післяспиртової барди, фруктового соку, концентрації моно- і дисахаридів (глюкоза фруктоза сахароза), кукурудзяного сиропу, лимонної кислоти, стоків |
| Аналог | Alfa Laval, Bucher Unipektin, Buss-SMS-Canzler, GEA, Perry Videx, Vogelbusch |
| Логістичні дані: |
Товари з цієї категорії
1037638
Тільки під замовлення
1029016
Тільки під замовлення
1025487
Тільки під замовлення








































































































































