Каталог товарів
- Головна
- Інжинірингові послуги та обладнанняВакуум-випарні апаратиДекантерні центрифуги, сепараториДробарки для подрібнення злакових культур в процесі приговування кормів, борошна, виготовлення етанолуКонтрольно-вимірювальні прилади, датчики, витратоміри для автоматизації виробництваПроектування, будівництво спиртзаводу, БРУСпіральний, кожухотрубний теплообмінникСушарки промисловіТвердопаливні котлиФерменти, дріжджі спиртові, антисептики для виробництва спиртуЕнергетичний аудитПарові промислові котли
- Вакуум-випарні апарати
- 12,6T вакуум-випарна установка концентрації спиртової барди (4-ступені) для спиртового заводу потужністю 6000 дал спирту на добу
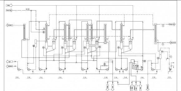
12,6T вакуум-випарна установка концентрації спиртової барди (4-ступені) для спиртового заводу потужністю 6000 дал спирту на добу
Документація
Скачати інструкцію, каталог для 12,6T вакуум-випарна установка концентрації спиртової барди (4-ступені) для спиртового заводу потужністю 6000 дал спирту на добу
Огляд

Ціна НЕТТО, не включає транспорт та доставку. Вакуум-випарна установка концентрації спиртової барди (4-ступені) для спиртового заводу потужністю 6000 дал спирту на добу
Продукт: спиртова барда
Витрата:14000 кг / год
Концентрація:3,5% сухих речовин, температура :40-60℃
Концентрат -1400 кг /год концентрація 35% сухих речовин температура 60-70℃
Продуктивність по упаренной вологи :12600 кг / год
Споживання:
Пара 3458 кг/год пара при 6 бар для енергетичного балансу Електроенергія :
- насос: 116,5 кВт * год охолоджуючої води :
- для вакуумної системи 2, 4 м3 / год
Вхідна температура :≤20℃
- для конденсатора 23С - 235м3 / год температура Вхідна:32℃ Вихід :40℃
- вода для насосів: 4 м3 / год
Характеристики
| Виробник | BTS Engineering |
| Потужність, кВт | 116,5 |
| Продуктивність, дал/добу | 6 000 |
| Температура (max), С | 40-60 |
| Кількість корпусів, шт | 4 |
| Початковий вміст сухих речовин,% | 3,5 |
| Кінцевій вміст сухих речовин,% | 35 |
| Габарити, мм | 13000х5000х16000 |
| Кількість випарованої вологи, кг/год | 12 600 |
| Витрата гострої пари (6 бар), кг/год | 3 458 |
| Потік води, л/год | 250 000 |
| Застосування | дріжджової суспензії, післяспиртової барди, фруктового соку, концентрації моно- і дисахаридів (глюкоза фруктоза сахароза), кукурудзяного сиропу, лимонної кислоти, стоків |
| Аналог | Alfa Laval, Bucher Unipektin, Buss-SMS-Canzler, GEA, Perry Videx, Vogelbusch |
| Логістичні дані: |
Товари з цієї категорії
1037638
Тільки під замовлення
1029016
Тільки під замовлення
1025487
Тільки під замовлення








































































































































