Catalog
Else categories
- Home
- Engineering services and equipmentVacuum evaporation plant Decanter centrifuges, separatorsCrushers for grinding cereal crops in the process of feed, flour, ethanol productionControl and measuring instruments, sensors, flow meters for production automationDesign, construction of a distillery, distillationSpiral shell and tube heat exchangerIndustrial dryersSolid fuel boilersEnzymes, alcohol yeast, antiseptics for the production of alcoholEnergy auditSteam industrial boilers
- Spiral shell and tube heat exchanger
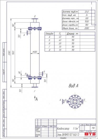
- Shell-and-tube heat exchanger (condenser) - 5
Shell-and-tube heat exchanger (condenser) - 5
Overview

Recuperative spiral heat exchanger is used in the food industry, alcohol heat exchanger, beer heat exchanger, vegetable oil heat exchanger, sugar heat exchanger, dairy heat exchanger, metallurgy heat exchanger, shipbuilding heat exchanger, ship engine heat exchanger, oil heat exchanger, cracking heat exchanger, oil cooling and heating heat exchanger, low pressure heat exchanger, network heat exchanger, chemical water treatment heat exchanger, municipal heat supply heat exchanger, wort heat exchanger, wash heat exchanger, recuperative heat exchanger, wort heat exchanger, heat exchanger recuperative for brew.  Designed for complete cooling (condensation) of column vapors ( rectification, epureation, strengthening, acceleration, etc.) to produce a cut fraction (head fraction of ethyl alcohol, unpasteurized alcohol, etc.).
Characteristics
| Producer | BTS Engineering | 
| Material | AISI 304 stainless steel | 
| Area, m2 | 5 | 
| Seal | silicone, food rubber, EPDM, poronit | 
| Analogue for | Alfa Laval, Danfoss, FAMET S.A., FUNKE, GEA Wigand, GEA, RELIZ, SECESPOL, SONDEX, SWEP, Tetra Pak, Vogelbusch, Винпромсервис, Опытно механический завод Винница | 
| Logistics data: | 


























































































































































