Catalog
Else categories
- Home
- Engineering services and equipmentVacuum evaporation plant Decanter centrifuges, separatorsCrushers for grinding cereal crops in the process of feed, flour, ethanol productionControl and measuring instruments, sensors, flow meters for production automationDesign, construction of a distillery, distillationSpiral shell and tube heat exchangerIndustrial dryersSolid fuel boilersEnzymes, alcohol yeast, antiseptics for the production of alcoholEnergy auditSteam industrial boilers
- Vacuum evaporation plant
- 19.6T vacuum evaporation unit for Bards (4-stage)
19.6T vacuum evaporation unit for Bards (4-stage)
Documentation
Download instructions, catalog for 19.6T vacuum evaporation unit for Bards (4-stage)
Overview

Net price, does not include transportation and delivery.
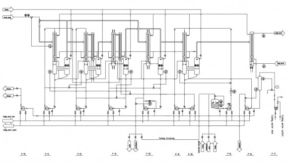
Vacuum-evaporation unit of distillery dreg concentration (4 stages) for a distillery.
Product: distillery dreg
Consumption: 28000 kg / h
Concentration:12% dry solids, temperature :60-70°C
Concentrate -8400 kg / h concentration of 40% dry solids temperature 60-70°C
Evaporated moisture capacity: 19600 kg / h
Consumption:
Steam 4841 kg / h steam at 6 bar.
Electricity:
- pump: 181.5 kWh. Cooling water :
- for a 2 m3 / h vacuum system
- for 25C - 328m3 / H capacitor
- water for pumps: 5 m3 / h.
Inlet temperature:25°C
Outlet temperature: 33°C
Characteristics
| Producer | BTS Engineering |
| Power capacity, kW | 181,5 |
| Max.temperature, C | 60-70 |
| Number of bodies, pcs | 4 |
| Initial dry matter content,% | 12 |
| Final dry matter content, % | 40 |
| Dimensions, mm | 16000х6700х18000 |
| The amount of evaporated moisture, kg/hour | 19 600 |
| Consumption of hot steam (6 bar), kg/h | 4 841 |
| Water flux, l/hr | 328 000 |
| Application | yeast suspension, distillery stillage, fruit juice, concentration of mono- and disaccharides (glucose, fructose, sucrose), corn syrup, citric acid, drains |
| Analogue for | Alfa Laval, Bucher Unipektin, Buss-SMS-Canzler, GEA, Perry Videx, Vogelbusch |
| Logistics data: |
Products from the same category
1037638
Pre-order only








































































































































