Catalog
Else categories
- Home
- Industrial pumps
- Pumps by typeBarrel pumps Vacuum pumpsVertical semi-submersible pumpsScrew pumpsVortex pumpsHermetic pumpsDispersant-emulsifier, homogenizerDosing pumpsImpeller pumpsSewer stationsCantilever pumpsLobe pumpsDiaphragm pumpsPneumatic diaphragm submersible pumpsMultistage pumpsCast iron monobloc pumpsMotor pumpsMotor diaphragm pumpsEx ATEX pumpPTO driven pumpDouble inlet pumpsInline pumpsGlandless pumpsAxial pumpsPeristaltic pumpsRotary vane pumpsPlunger pumpsSemi-submersible fecal, drainage pumpSubmersible drainage and fecal pumpsSubmersible slurry pumpsPiston pumpsRoller pumps Self-priming centrifgual pumpSanitary, hygienic pumpsBorehole pumpsSolenoid pump dispenserWater supply and fire extinguishing stationsChemical magnetic pumpsCentrifugal pumpsGear pumpsIndustrial hose peristaltic pumps
- Cantilever pumps
- Ebara 3M 65-200/22, 380V pump
Ebara 3M 65-200/22, 380V pump
Also buy with this product
1042539
Pre-order only
Documentation
Download instructions, catalog for Ebara 3M 65-200/22, 380V pump
Overview

Ebara centrifugal pumps with flanges in accordance with EN 733 are made of Aisi 304 (Aisi 316) stainless steel.
Application: water supply systems; pumping of moderately aggressive liquids; filtration; water treatment; industrial sinks; pressure boosting; heating and air conditioning; cooling and refrigeration systems; irrigation.
Technical features: robust hydraulic construction. Suitable for pumping many liquids (version made of AISI 304 or AISI 316). Thanks to a special spiral chamber, the efficiency of the pump increases. Pump bed according to the standard with AISI 304. The pump body is fixed with Aisi 304 screws. Compact size. Wide range of pumps equipped with 2 and 4
pole motors. Made according to the ISO EN 733 standard. The "rear cover separation" design allows you to separate the engine/impeller assembly, leaving the housing in place. Standard mechanical seal DIN 24960. IEC standard engine (3S-3p). Special Motors: explosion-proof, high-efficiency EFF 1, low noise, with integrated VMA inverter. A custom mechanical seal is installed to meet your needs.
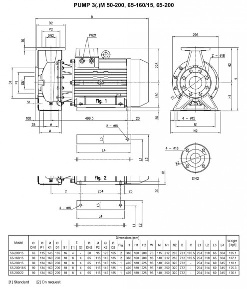
Specification: capacity up to 132 m3/h. Feed height up to 72 M. Maximum pressure: 1 MPA. Temperature of the pumped liquid: -10 ° C ÷ 100°C. according to the standard, -10°C ÷ 110°C for version H.
Pump housing, housing cover, impeller and shaft made of Aisi 304 stainless steel (Series 3), with AISI 316L (series 3L). Graphite/ceramic/NBR mechanical seal for Standard Version (3 Series), SiC/sic/FPM (3L series), graphite/ceramic/FPM mechanical seal for H version, sic/sic/FPM mechanical seal for HS version, sic/graphite/FPM mechanical seal for e version.
Technical data: asynchronous 2-and 4-pole motor. Insulation Class F . Degree of protection IP55. Single-phase 220V, 50 Hz, three-phase 380V, 50 Hz. Protection against thermal overload must be provided by the consumer.
Characteristics
| Producer | Ebara |
| Pump capacity, m3/h | 132 |
| Feed height, m | 67 |
| Power capacity, kW | 22 |
| Material | AISI 304 stainless steel |
| Input pipe diameter | DN80 |
| Output pipe diameter | DN65 |
| Rate of turn, rpm | 2 800 |
| Protection | IP55 |
| Power supply | 3х380 V, 50 Hz |
| Explosion protection | No |
| Nom.pressure, Mpa | 1 |
| Max.flow rate, m3/h | 132 |
| Max.temperature, C | 90 |
| Dimensions, mm | 880х390х532 |
| Seal | Mechanical Seal, Carbon/Ceramic/NBR |
| Max. head, m | 67 |
| Pressure, bar | 10 |
| Housing material | AISI 304 stainless steel |
| Material of flow channel | AISI 304 stainless steel |
| Impeller material | AISI 304 stainless steel |
| Shaft material | AISI 304 stainless steel |
| Serial number of the pump | 3M |
| Country of Origin | Italy |
| PumpType | console |
| Drive Type | electric |
| Installation Type | horizontal |
| Application | CIP-washing, ammonia mixture, Braga, brew, wine, water, cooling tower, liquid fertilizer, CAS, caustic, ice water, milk, urea, water recycling, heating, food, increasing pressure, glaze, mudflow solution, juices, salt, wort, the drying chamber, drying, cheesecloths |
| Logistics data: | |
| Weight, kg | 136,1 |
Categories:Cantilever pumpsCentrifugal pumpsPump for emulsions and suspensionsPumps for ammonia water, ammonium hydroxide NH4OHPumps for stillage, mashWine pumpsWater pumpsPumps for UANPumps for urea, liquid fertilizers, ammoniaPermeate PumpBeer pumpsVegetable oil pumpsFood pumps for juice, concentratePumps for mineral fertilizers (carbamido-ammonia mCentrifugal pumps made of stainless steelPumps for water supplyFood pumpsEbara 3M Series Centrifugal Pumps































































































































































