Catalog
Else categories
- Home
- Industrial pumps
- Pumps by typeBarrel pumps Vacuum pumpsVertical semi-submersible pumpsScrew pumpsVortex pumpsHermetic pumpsDispersant-emulsifier, homogenizerDosing pumpsImpeller pumpsSewer stationsCantilever pumpsLobe pumpsDiaphragm pumpsPneumatic diaphragm submersible pumpsMultistage pumpsCast iron monobloc pumpsMotor pumpsMotor diaphragm pumpsEx ATEX pumpPTO driven pumpDouble inlet pumpsInline pumpsGlandless pumpsAxial pumpsPeristaltic pumpsRotary vane pumpsPlunger pumpsSemi-submersible fecal, drainage pumpSubmersible drainage and fecal pumpsSubmersible slurry pumpsPiston pumpsRoller pumps Self-priming centrifgual pumpSanitary, hygienic pumpsBorehole pumpsSolenoid pump dispenserWater supply and fire extinguishing stationsChemical magnetic pumpsCentrifugal pumpsGear pumpsIndustrial hose peristaltic pumps
- Cantilever pumps
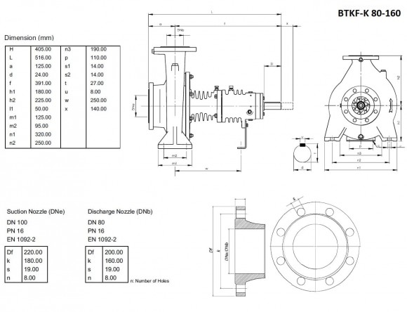
- Hot oil pump BTKF-K 80-160 (1500)
Hot oil pump BTKF-K 80-160 (1500)
Also buy with this product
1042539
Pre-order only
Documentation
Download instructions, catalog for Hot oil pump BTKF-K 80-160 (1500)
Overview

The BTKF-K hot oil pump is designed for pumping high-temperature liquids, 350°C oil. A pump for heating bitumen, a pump for woodworking plants for the production of products. The pumps are equipped with impellers of three sizes in diameter (with trimming), which allows you to more accurately select the pump by pressure and power on the shaft. The pump for the hot coolant is a centrifugal pump h with an air cooling type, a cast radiator for removing the thermal load of the shaft chamber and installed mechanical seals. The pump and the electric motor are connected by means of a coupling. This gives advantages when disassembling. The pump size meets the TS EN 733 standard. The input and output dimensions of the flanges comply with ISO 7005-2/PN16. A mechanical seal is installed in the pump, which is made of materials resistant to high temperatures. If it is necessary to replace the impeller, bearings or seals, the pump is easily disassembled. Purpose: pump for superheated liquid, oil, and other clean products with temperatures up to 350°C. Applications: - chemical and petrochemical plants, paper mills, sugar factories, in food production, bakeries, factories for the production of plastic, rubber and synthetic fiber products, kitchen and heating stoves, textile and leather industries, metallurgy, paint preparation, bitumen heating for road construction, wood processing industry, manufacture of slabs for furniture, pasting, etc., for technological heat exchangers during transmission and heating of liquid.
Characteristics
| Producer | ERDURO |
| Pump capacity, m3/h | 75 |
| Feed height, m | 11 |
| Power capacity, kW | 1,1, 1,5, 2,2, 3 |
| Material | cast iron |
| Input pipe diameter | DN100 |
| Output pipe diameter | DN80 |
| Rate of turn, rpm | 1 500 |
| Protection | IP55 |
| Explosion protection | No |
| Max.flow rate, m3/h | 75 |
| Max.temperature, C | 350 |
| Seal | Mechanical Seal, Eagle Burgmann |
| Max. head, m | 11 |
| Pressure, bar | 16 |
| Serial number of the pump | BTKF-K |
| Country of Origin | Turkey |
| PumpType | console |
| Drive Type | electric |
| Installation Type | horizontal |
| Type of configuration | without engine |
| Warranty, months | 12 |
| Application | superheated water, thermal oil |
| Analogue for | FLOWSERVE, ALLWEILER, KSB, Pompetravaini TCD, SIHI, WILO |
| Logistics data: | |
| Weight, kg | 45 |
Categories:Cantilever pumpsCentrifugal pumpsThermal oil pumps +350High temperature pumps +400°C



































































































































































