Catalog
Else categories
- Home
- Industrial pumps
- Pumps by typeBarrel pumps Vacuum pumpsVertical semi-submersible pumpsScrew pumpsVortex pumpsHermetic pumpsDispersant-emulsifier, homogenizerDosing pumpsImpeller pumpsSewer stationsCantilever pumpsLobe pumpsDiaphragm pumpsPneumatic diaphragm submersible pumpsMultistage pumpsCast iron monobloc pumpsMotor pumpsMotor diaphragm pumpsEx ATEX pumpPTO driven pumpDouble inlet pumpsInline pumpsGlandless pumpsAxial pumpsPeristaltic pumpsRotary vane pumpsPlunger pumpsSemi-submersible fecal, drainage pumpSubmersible drainage and fecal pumpsSubmersible slurry pumpsPiston pumpsRoller pumps Self-priming centrifgual pumpSanitary, hygienic pumpsBorehole pumpsSolenoid pump dispenserWater supply and fire extinguishing stationsChemical magnetic pumpsCentrifugal pumpsGear pumpsIndustrial hose peristaltic pumps
- Cantilever pumps
- Pump for industrial washing systems BK200D, 1.5kW, AISI304, 220V/50Hz, 2900 with open impeller
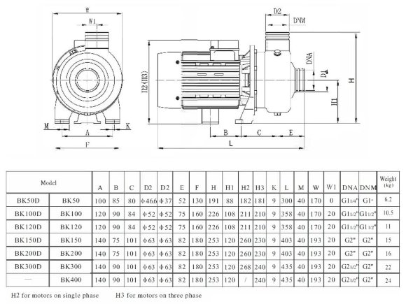
Pump for industrial washing systems BK200D, 1.5kW, AISI304, 220V/50Hz, 2900 with open impeller
Also buy with this product
1042539
Pre-order only
1042541
Pre-order only
Documentation
Download instructions, catalog for Pump for industrial washing systems BK200D, 1.5kW, AISI304, 220V/50Hz, 2900 with open impeller
Overview

The BK series open impeller centrifugal pumps are used in industry for washing vegetables, fruit, meat, fish and other foodstuffs, in surface treatment of metal products, in industrial systems for washing glass containers, boxes, cans, bottles, in cooling systems, in canteen dishwashers, and in industrial laundries. In general, the open impeller centrifugal pumps of the BK series are designed for pumping both clean and fairly dirty water. The pump casing, back cover, impeller and shaft are made of AISI304 stainless steel.
Characteristics
| Producer | BTS Engineering |
| Pump capacity, m3/h | 42 |
| Feed height, m | 12.7 |
| Power capacity, kW | 1,5 |
| Material | AISI 304 stainless steel |
| Input pipe diameter | G 2" |
| Output pipe diameter | G 2" |
| Rate of turn, rpm | 2 900 |
| Power supply | 1х220 V, 50 Hz |
| Explosion protection | No |
| Max.flow rate, m3/h | 42 |
| Max.temperature, C | 100 |
| Impeller type | open impeller |
| Dimensions, mm | 403x193x253 |
| Max. head, m | 12.7 |
| Material of flow channel | AISI 304 stainless steel |
| Serial number of the pump | BK |
| Country of Origin | China |
| PumpType | console |
| Drive Type | electric |
| Installation Type | horizontal |
| Warranty, months | 12 |
| Logistics data: | |
| Weight, kg | 16 |
Categories:Cantilever pumpsCentrifugal pumpsCentrifugal pumps made of stainless steelFood pumpsDWO, BK, TS Series Monoblock Pumps with Open ImpellerPumps for swimming pools















































































































































































