Catalog
Else categories
- Home
- Industrial pumps
- Pumps by typeBarrel pumps Vacuum pumpsVertical semi-submersible pumpsScrew pumpsVortex pumpsHermetic pumpsDispersant-emulsifier, homogenizerDosing pumpsImpeller pumpsSewer stationsCantilever pumpsLobe pumpsDiaphragm pumpsPneumatic diaphragm submersible pumpsMultistage pumpsCast iron monobloc pumpsMotor pumpsMotor diaphragm pumpsEx ATEX pumpPTO driven pumpDouble inlet pumpsInline pumpsGlandless pumpsAxial pumpsPeristaltic pumpsRotary vane pumpsPlunger pumpsSemi-submersible fecal, drainage pumpSubmersible drainage and fecal pumpsSubmersible slurry pumpsPiston pumpsRoller pumps Self-priming centrifgual pumpSanitary, hygienic pumpsBorehole pumpsSolenoid pump dispenserWater supply and fire extinguishing stationsChemical magnetic pumpsCentrifugal pumpsGear pumpsIndustrial hose peristaltic pumps
- Diaphragm pumps
- RUBY FDA 015S-W-TSS-T pneumatic diaphragm pump
RUBY FDA 015S-W-TSS-T pneumatic diaphragm pump
Also buy with this product
1042539
Pre-order only
Documentation
Download instructions, catalog for RUBY FDA 015S-W-TSS-T pneumatic diaphragm pump
Overview

Pneumatic diaphragm pumps Ruby manufactured according to FDA requirements. The whole range of the data pump is made of stainless steel AISI 316 Electro polished under
International Regulations ASTM A380, and PTFE and EPDM membrane - the membrane is a new technology with a built-in piston. (Compound).
Benefits of Ruby FDA pumps:
- EPDM diaphragm with a new generation of built-in internal-external piston with the FDA approved a new generation of PTFE Membranes and design with integrated piston for longer service life (compound) with the FDA certificate. Operating temperature from -10 ° C to + 130 ° C;
- membrane PTFE-Α of advanced technologies, providing a large supply with the FDA certificate;
- economical air consumption, eco-design;
- a high degree of performance;
- optimum performance;
- New design of the air valve is fully controlled by the passage of air;
- ease of disassembly and reassembly;
- combined with a modified PTFE membrane layer, calculated on 100 million cycles are ideal for abrasive fluids and for operation under conditions of negative temperatures;.
- excellent performance and value for money;
- ideal for abrasive, viscous and shear sensitive media;
- pumping viscous liquids;
- ease of maintenance and replacement parts.
Characteristics
| Producer | AlphaDynamic |
| Pump capacity, m3/h | 3.48 |
| Feed height, m | 70 |
| Material | AISI 316 stainless steel |
| Input pipe diameter | 1/2" |
| Output pipe diameter | 1/2" |
| Explosion protection | Yes |
| Max.flow rate, m3/h | 3.48 |
| Model | RUBY 015 |
| Diameter of the pneumatic mainline | 1/2" |
| Max.temperature, C | 95 |
| Dry suction height, m | 3 |
| Max.air pressure, bar | 7 |
| Max.diameter of solid inclusions, mm | 3 |
| Flow rate, l/min | 58 |
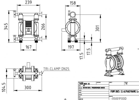
| Dimensions, mm | 300x197x345 |
| Max. head, m | 70 |
| Housing material | AISI 316 stainless steel |
| Diaphragm material at water side | TFM+EPDM |
| Material of ball valves | AISI 316 stainless steel |
| Material of O-ring | PTFE |
| Material of valve seat | AISI 316 stainless steel |
| Serial number of the pump | RUBY FDA |
| Country of Origin | Greece |
| PumpType | membrane pneumatic |
| Drive Type | pneumatic |
| Availability of spare parts | Yes |
| Warranty, months | 12 |
| Application | nitric acid, ammonia, butane, hydrogen, viscous liquids, clays, ash, kaolin suspension, urea, carbonate, paints, varnish, saturated amine, oleum, peroxide, sulfur, reverse osmosis systems, alcohol, acetic acid, phenol, formalin, phosphates, phosphoric acid, slag, slip, alkalis, ethylene, ethers |
| Analogue for | AGRAL DDE-030, AGRAL DDE-100, AGRAL DDE-160, AGRAL DDE-300, AGRAL DDE-60, AGRAL DDE-600, AlphaDynamic Ruby, AQUA, AquaViva, Astralpool, Debem BOXER, Debem FOODBOXER, Debem SANIBOXER, DELLMECO DM, DELLMECO DMCX, DEPA DB, DEPA L, DEPA М, DEPA РМ (Р), DOSITEC, Duotek AF Zone 2 Atex, DUOTEK FOOD, DUOTEK SANI, Emec, FWT, Graco Husky, Grundfos, Injecta, Jesco Pump, MILTON ROY, Milwaukee, PRODOSE, ProMinent, Seko, Sera, WILDEN, YAMADA NDP |
| Logistics data: | |
| Weight, kg | 9 |
Categories:Diaphragm pumpsNitric acid pumpPump for liquid glassPump for cream and pastePumps for viscous liquidsGlycerin pumpsAcid pumpsGlue pumpsPumps for paints and varnishesPumps for an ice creamResin pumpsPumps for freonLye pumpsAcid-resistant pumps for aggressive liquidsDiaphragm pumps FDAPumps for aggressive liquids, acid pumpFood pumpsPneumatic Pumps































































































































































