Catalog
Else categories
- Home
- Industrial pumps
- Pumps by typeBarrel pumps Vacuum pumpsVertical semi-submersible pumpsScrew pumpsVortex pumpsHermetic pumpsDispersant-emulsifier, homogenizerDosing pumpsImpeller pumpsSewer stationsCantilever pumpsLobe pumpsDiaphragm pumpsPneumatic diaphragm submersible pumpsMultistage pumpsCast iron monobloc pumpsMotor pumpsMotor diaphragm pumpsEx ATEX pumpPTO driven pumpDouble inlet pumpsInline pumpsGlandless pumpsAxial pumpsPeristaltic pumpsRotary vane pumpsPlunger pumpsSemi-submersible fecal, drainage pumpSubmersible drainage and fecal pumpsSubmersible slurry pumpsPiston pumpsRoller pumps Self-priming centrifgual pumpSanitary, hygienic pumpsBorehole pumpsSolenoid pump dispenserWater supply and fire extinguishing stationsChemical magnetic pumpsCentrifugal pumpsGear pumpsIndustrial hose peristaltic pumps
- Gear pumps
- Internal gear pump for plastic and rubber products EMSE EDP-I 4 inch, 34.5-56.1 m3/h, without motor
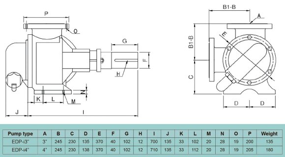
Internal gear pump for plastic and rubber products EMSE EDP-I 4 inch, 34.5-56.1 m3/h, without motor
Also buy with this product
1042539
Pre-order only
Documentation
Download instructions, catalog for Internal gear pump for plastic and rubber products EMSE EDP-I 4 inch, 34.5-56.1 m3/h, without motor
Overview

Thanks to their large pitch and tooth clearance, EMSE gear pumps of the EDP-I series can pump viscous liquids such as molasses, chocolate, asphalt, oil, petroleum products, paint, glue, vegetable oils, soap, fuels, pharmaceuticals, chemicals, food, plastics and rubber products and other highly viscous liquids up to a pressure of 14 -15 bar. Thanks to the volumetric flow, high pressure can be achieved even at low speeds.
Working principle: Internal gear pumps are used for pumping liquids with high viscosity. This type of pump consists of a drive gear on the outside and a driven gear in an eccentric position. Thanks to its simple design, it is a durable, easy-to-maintain pump. The drive gear (rotor) is connected to the motor and contacts the idler gear from the inside and drives it. In a positive displacement pump with internal gearing, the vacuum is created at the suction side by the expansion of the volume between the gears. The liquid that fills the pump casing is pressurised by the narrowing of the gap between the gears and moves towards the pump outlet.
The pump is available in various materials:
Casings: cast iron, ductile iron
Gears: ductile iron, steel
Shafts: steel
Bushing: bronze, graphite
Characteristics
| Pressure range, bar | 3-10 |
| Gear meshing type | internal |
| Producer | EMSE |
| Pump capacity, m3/h | 56.1 |
| Power capacity, kW | 22 |
| Material | cast iron |
| Input pipe diameter | 4" |
| Output pipe diameter | 4" |
| Rate of turn, rpm | 400 |
| Max.flow rate, m3/h | 56.1 |
| Operating temperature | -10°C +110°C |
| Housing material | Сast iron |
| Serial number of the pump | EDP-I |
| Country of Origin | Turkey |
| PumpType | gear type |
| Installation Type | horizontal |
| Logistics data: | |
| Weight, kg | 180 |
Products from the same category
1044174
Pre-order only



































































































































































