Catalog
Else categories
- Home
- Industrial pumps
- Pumps by typeBarrel pumps Vacuum pumpsVertical semi-submersible pumpsScrew pumpsVortex pumpsHermetic pumpsDispersant-emulsifier, homogenizerDosing pumpsImpeller pumpsSewer stationsCantilever pumpsLobe pumpsDiaphragm pumpsPneumatic diaphragm submersible pumpsMultistage pumpsCast iron monobloc pumpsMotor pumpsMotor diaphragm pumpsEx ATEX pumpPTO driven pumpDouble inlet pumpsInline pumpsGlandless pumpsAxial pumpsPeristaltic pumpsRotary vane pumpsPlunger pumpsSemi-submersible fecal, drainage pumpSubmersible drainage and fecal pumpsSubmersible slurry pumpsPiston pumpsRoller pumps Self-priming centrifgual pumpSanitary, hygienic pumpsBorehole pumpsSolenoid pump dispenserWater supply and fire extinguishing stationsChemical magnetic pumpsCentrifugal pumpsGear pumpsIndustrial hose peristaltic pumps
- Chemical magnetic pumps
- Magnetic coupling pump 06 DM PP, VITON, 0,25 kW
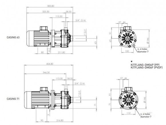
Magnetic coupling pump 06 DM PP, VITON, 0,25 kW
Also buy with this product
1042539
Pre-order only
Overview

DM canned pumps without seals and magnetic couplings.
Hermetic pumps with a magnetic coupling used for pumping corrosive, toxic or inflammable liquids, and liquids containing particles.
Several magnets drives the pump in motion, the external magnet located on the shaft, transmits the motion to the inner magnet embedded in the impeller, which is hermetically isolated. The impeller is mounted on the pump shaft, therefore, no seal, which prevents leakage of the pumped fluid as a consequence of the seals wear. Pump head consists of several components, simplifying thus maintenance. Standard pump performance materials: polypropylene (PP) and polivinilindenftorid (PVDF).
These pumps can not run "dry". Pumping contaminated liquids leads to a reduction of pump service life.
Characteristics
| Producer | DEBEM |
| Pump capacity, m3/h | 6.5 |
| Feed height, m | 8.5 |
| Material | PP |
| Input pipe diameter | 1" |
| Output pipe diameter | 3/4" |
| Power supply | 3х380 V, 50 Hz |
| Max.flow rate, m3/h | 6.5 |
| Model | DM06 |
| Max.temperature, C | 65 |
| Max.medium temperature, Celsius degree | 65 |
| Impeller diameter, mm | 81 |
| Max.viscosity, cPs | 150 |
| Max. head, m | 8.5 |
| Material of flow channel | PP |
| Material of O-ring | VITON |
| Serial number of the pump | DM |
| Country of Origin | Italy |
| PumpType | with magnetic coupling |
| Drive Type | electric |
| Availability of spare parts | Yes |
| Logistics data: |
Categories:Chemical magnetic pumpsHermetic pumpsCentrifugal pumpsNitric acid pumpAcid pumpsLye pumpsAcid-resistant pumps for aggressive liquidsPumps for aggressive liquids, acid pumpElectroplating pumpsMagnetic Drive Pumps DM






























































































































































