Catalog
Else categories
- Home
- Industrial pumps
- Pumps by typeBarrel pumps Vacuum pumpsVertical semi-submersible pumpsScrew pumpsVortex pumpsHermetic pumpsDispersant-emulsifier, homogenizerDosing pumpsImpeller pumpsSewer stationsCantilever pumpsLobe pumpsDiaphragm pumpsPneumatic diaphragm submersible pumpsMultistage pumpsCast iron monobloc pumpsMotor pumpsMotor diaphragm pumpsEx ATEX pumpPTO driven pumpDouble inlet pumpsInline pumpsGlandless pumpsAxial pumpsPeristaltic pumpsRotary vane pumpsPlunger pumpsSemi-submersible fecal, drainage pumpSubmersible drainage and fecal pumpsSubmersible slurry pumpsPiston pumpsRoller pumps Self-priming centrifgual pumpSanitary, hygienic pumpsBorehole pumpsSolenoid pump dispenserWater supply and fire extinguishing stationsChemical magnetic pumpsCentrifugal pumpsGear pumpsIndustrial hose peristaltic pumps
- Chemical magnetic pumps
- FLUIMAC FMB-65-WR-V-N1-B-N Centrifugal Pump with magnetic coupling
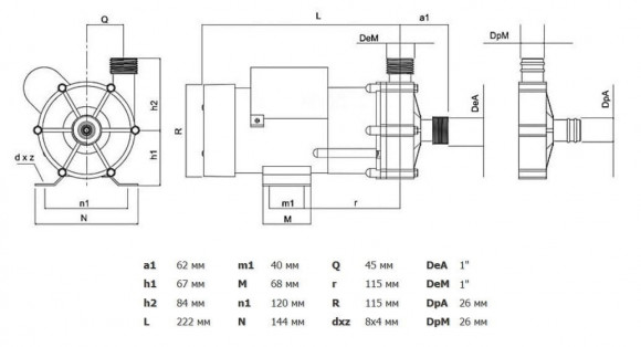
FLUIMAC FMB-65-WR-V-N1-B-N Centrifugal Pump with magnetic coupling
Also buy with this product
1042539
Pre-order only
Documentation
Download instructions, catalog for FLUIMAC FMB-65-WR-V-N1-B-N Centrifugal Pump with magnetic coupling
Overview

The single-stage centrifugal pump FMB has a magnetic drive. The case is made of thermoplastic polymers with increased strength. Internal materials are made of materials such as: ceramics, carbon, fluorinated elastomer. The use of such materials prevents the contact of spare parts with the working fluid. Pumps of this type have a low noise level, and due to the lack of a seal, they are suitable for use in any places due to their compactness. The pumps are not able to run dry and require filling. Pumping dirty liquid or liquid containing suspended particles can shorten the service life or worsen the operation of the pump.
Characteristics
| Producer | FLUIMAC |
| Pump capacity, m3/h | 3.7 |
| Feed height, m | 5.8 |
| Material | PP |
| Input pipe diameter | 1" |
| Output pipe diameter | 1" |
| Rate of turn, rpm | 2 800 |
| Power supply | 1х220 V, 50 Hz |
| Max.flow rate, m3/h | 3.7 |
| Max.temperature, C | 60 |
| Nom.flow rate, m3/h | 2 |
| Dimensions, mm | 28х14х15 |
| Nom.head, m | 4.2 |
| Seal | VITON |
| Max. head, m | 5.8 |
| Serial number of the pump | FMB |
| Country of Origin | Italy |
| PumpType | with magnetic coupling |
| Drive Type | electric |
| Availability of spare parts | Yes |
| Warranty, months | 12 |
| Analogue for | Argal TMB |
| Logistics data: | |
| Weight, kg | 5 |
Categories:Chemical magnetic pumpsHermetic pumpsCentrifugal pumpsNitric acid pumpPumps for aggressive liquids, acid pumpElectroplating pumpsHermetic pumps with magnetic drive FMB



































































































































































