Catalog
Else categories
- Home
- Mixers and agitators
- High speed mixers
- Chemical mixer AQUA AG3-AISI60/F, 380V, 1400 RPM, ADAG3A06F
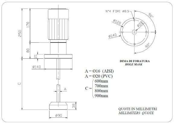
Chemical mixer AQUA AG3-AISI60/F, 380V, 1400 RPM, ADAG3A06F
Documentation
Download instructions, catalog for Chemical mixer AQUA AG3-AISI60/F, 380V, 1400 RPM, ADAG3A06F
Overview

The electric mixer manufactured by the Italian company AQUA is used for mixing chemical reagents (acid and alkali solutions) in tanks. They are intended for installation on a working container for the purpose of preparing and maintaining chemical reagents in a condition suitable for pumping by pumps. Containers are attached from above. This model is designed for mixing at high speeds. The execution of the electric motor is three-phase. Suitable for all types of dosing pumps. The Aqua A-TANK-1 capacity of 100 liters is suitable for this mixer.
Characteristics
| Producer | AQUA |
| Power capacity, kW | 0,089 |
| Material | AISI 304 stainless steel |
| Rate of turn, rpm | 1 400 |
| Power supply | 3х380 V, 50 Hz |
| Diameter impller | 90 |
| Length, mm | 600 |
| Mixer series | AG-F |
| Country of Origin | Italy |
| Application | suspension, agitation, milk of lime, dissolution, solutions, reagents and emulsions for the purpose of homogenization, confusion, salt, suspending, suspensions |
| Analogue for | FLUIMAC, AGF, Emec, FWT, Grundfos, Inoxpa, Jesco Pump, Lightnin, ProMinent, SULZER, Tapflo |
| Logistics data: | |
| Gross weight, kg | 6 |
| Length of transport packing, cm | 22 |
| Width of transport packing, cm | 88,5 |
| Height of transport packing, cm | 22 |
Products from the same category
ADAG3A08F
Pre-order only













































































































































