Catalog
Else categories
- Home
- Shut-off valves
- Ball Cocks
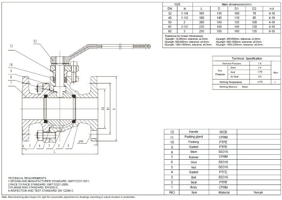
- PN16 DN32 Stainless steel ball valve AISI 316, seat PTFE
PN16 DN32 Stainless steel ball valve AISI 316, seat PTFE
Documentation
Download instructions, catalog for PN16 DN32 Stainless steel ball valve AISI 316, seat PTFE
Overview

The ball valve is designed to block the flow of the working medium (water). The main condition for the operation of the crane is its full opening or closing. Cranes cannot be used as control devices.
Due to their ease of installation and reliability, these cranes are very popular.
 The flanged ball valve has high performance characteristics due to the use of high-quality stainless steel for the manufacture of the main parts (body, Ball, rod), and fluoroplast (PTFE) is used as a sealing material. The high quality of structural materials makes it possible to use cranes in the chemical, food, and pharmaceutical fields. The minimum dimensions of cranes allow their use for installation in places with limited dimensions.
Characteristics
| Connection diameter, DN | 32 | 
| Producer | BTS Engineering | 
| Nom.pressure, Mpa | 1,6 | 
| Connection type | flanged | 
| Operating temperature | ≤150 | 
| Housing material | AISI 316 stainless steel | 
| Seal material | PTFE | 
| Country of Origin | China | 
| Working Environment | water, air, liquid, thick and viscous liquids, non-corrosive environment | 
| Logistics data: | 






































































































































































